Светомузыка от Winamp

  • MKsoft
  • MKsoft аватар
Больше
05 янв 2007 15:43 #11 от MKsoft
MKsoft ответил в теме Светомузыка от Winamp
дак что конкретно - так себе :?

Пожалуйста Войти или Регистрация, чтобы присоединиться к беседе.

  • tomas111
  • tomas111 аватар Автор темы
Больше
06 янв 2007 07:43 #12 от tomas111
tomas111 ответил в теме Светомузыка от Winamp
незнаю, я вот думаю себе спаять LCD от телефона что бы можно было инфу вывести .... но это в моих проектах ....
Меня больше интересует можно ли зделать два LPT ???

Пожалуйста Войти или Регистрация, чтобы присоединиться к беседе.

  • MKsoft
  • MKsoft аватар
Больше
07 янв 2007 16:07 #13 от MKsoft
MKsoft ответил в теме Светомузыка от Winamp
Без проблем можно.

Ставишь карточку с LPT. Хоть одну, хоть две. ПО написать можно без проблем. А железки для подключения можно придумать за вечер.

И экран можно подключить в инете статей много. Я уже в сети где то видел.

Пожалуйста Войти или Регистрация, чтобы присоединиться к беседе.

  • tomas111
  • tomas111 аватар Автор темы
Больше
09 янв 2007 14:53 #14 от tomas111
tomas111 ответил в теме Светомузыка от Winamp
C икраном я в принцепе разобрался

А вот как с одно LPT зделать два ???
Тобешь что бы можно ыбло использовать два устройства ???
Может ты подскажешь ???

Пожалуйста Войти или Регистрация, чтобы присоединиться к беседе.

  • MKsoft
  • MKsoft аватар
Больше
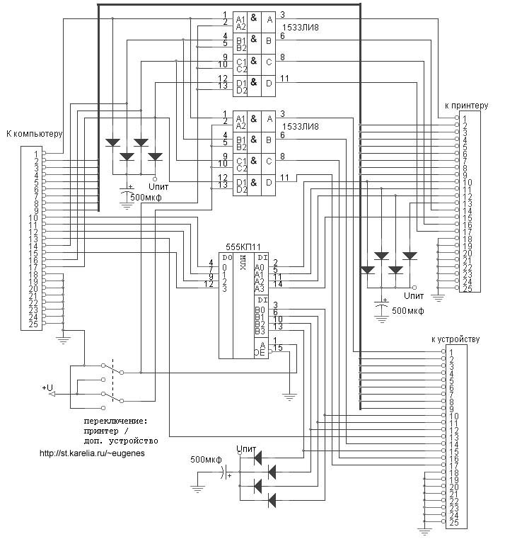
09 янв 2007 15:27 #15 от MKsoft
MKsoft ответил в теме Светомузыка от Winamp
А... теперь понял. Гдето была схемка .... а вот нашел.
Вложения:

Пожалуйста Войти или Регистрация, чтобы присоединиться к беседе.

Модераторы: Doc
Вся информация, предоставленная на данном ресурсе разрешена к ознакомлению детям школьного возраста. Все практическое использование может быть связана с повышенной электрической опасностью и разрешено детям только под присмотром взрослых.