кто хорошо знаком с ИБП??????

Больше
19 янв 2010 20:57 #16 от МАМИКОН
МАМИКОН ответил в теме кто хорошо знаком с ИБП??????

torkvil пишет: Такое бывает при питании от дизель-генератора или бензогенератора, там временные полупериоды очень часто выходят за пределы допустимого напряжения. Тестером эти скачки не увидеть. В другом случае проверяй свой измеритель напряжения в ИБП.

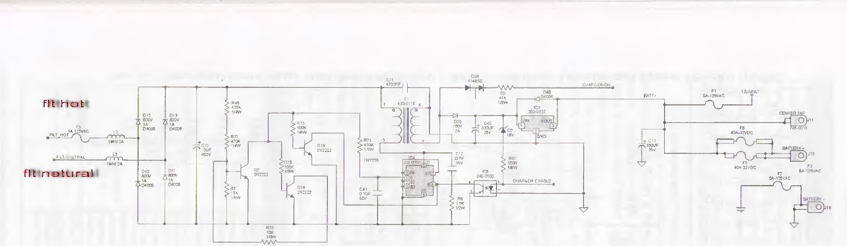
а как проверить измеритель напряжение в ИБП, приклепляю схему
Вложения:

Пожалуйста Войти или Регистрация, чтобы присоединиться к беседе.

Больше
20 янв 2010 11:04 #17 от Вячеслав
Вячеслав ответил в теме кто хорошо знаком с ИБП??????
Схемка находится там "куда идут эти выходы"
Вложения:

Пожалуйста Войти или Регистрация, чтобы присоединиться к беседе.

Больше
22 янв 2010 13:07 #18 от МАМИКОН
МАМИКОН ответил в теме кто хорошо знаком с ИБП??????

torkvil пишет: Схемка находится там "куда идут эти выходы"

вот продолжение

Пожалуйста Войти или Регистрация, чтобы присоединиться к беседе.

Модераторы: Doc
Вся информация, предоставленная на данном ресурсе разрешена к ознакомлению детям школьного возраста. Все практическое использование может быть связана с повышенной электрической опасностью и разрешено детям только под присмотром взрослых.