- Спасибо получено: 0
Подскажите пожалуйста AT90S2313-10PI !!!
- dimon4ik83
-
Автор темы
Less
Больше
12 март 2010 17:33 #1
от dimon4ik83
dimon4ik83 создал тему: Подскажите пожалуйста AT90S2313-10PI !!!
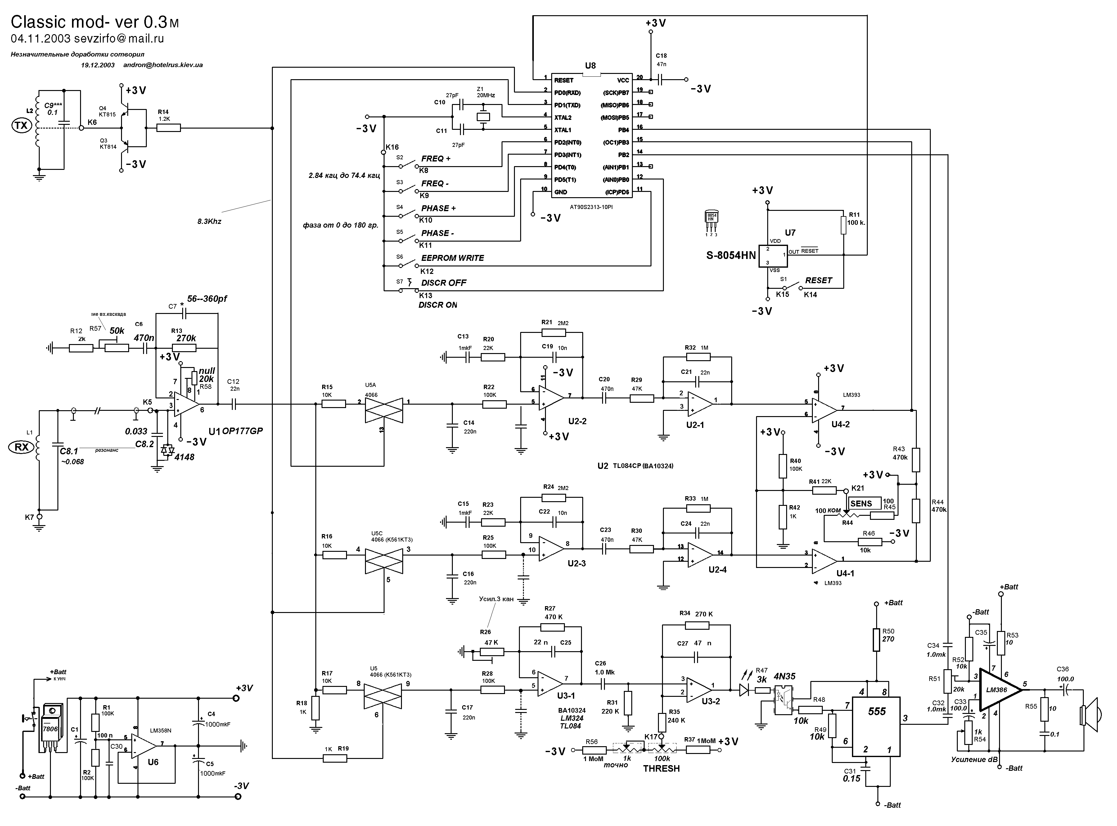
Собрал металлодетектор на этом микроконтроллере AVR AT90S2313-10PI ,все проверил ,без ошибок подскажите как залить в его прошивку !?
Вложения:
Пожалуйста Войти или Регистрация, чтобы присоединиться к беседе.
- Doc
-
- Не в сети
13 март 2010 06:05 #2
от Doc
Малое знание опасно, впрочем, как и большое....
Doc ответил в теме Подскажите пожалуйста AT90S2313-10PI !!!
нужен программатор
могут тебе залить в магазине элэктронники за денюшку
если в Москве могу прошить на шру
могут тебе залить в магазине элэктронники за денюшку
если в Москве могу прошить на шру
Малое знание опасно, впрочем, как и большое....
Пожалуйста Войти или Регистрация, чтобы присоединиться к беседе.
- dimon4ik83
-
Автор темы
Less
Больше
- Спасибо получено: 0
14 март 2010 17:03 #3
от dimon4ik83
dimon4ik83 ответил в теме Подскажите пожалуйста AT90S2313-10PI !!!
я не в москве!сколько это будет стоить,это будет готовый прибор или надо будет собирать??
Пожалуйста Войти или Регистрация, чтобы присоединиться к беседе.
Модераторы: Doc