Зарядка от 36 вольт

Больше
27 апр 2011 08:56 #1 от mega100
mega100 создал тему: Зарядка от 36 вольт
Здравствуйте.Подскажите кто знает как собрать или паределать зарядку для телефона чтоб работала от ~36Вольт.

Пожалуйста Войти или Регистрация, чтобы присоединиться к беседе.

Больше
29 апр 2011 21:30 #2 от leri
leri ответил в теме Зарядка от 36 вольт
какая зарядка АВТО или СЕТЕВАЯ И КАКАЯ ТРУБА в конце концов, правильно указывайте свой запрос
если авто то проще а с сетьевой- ставте повышающий транс и будет лафа

16Мв-это не память- это склероз!

Пожалуйста Войти или Регистрация, чтобы присоединиться к беседе.

  • Александр
  • Александр аватар
Больше
01 мая 2011 11:39 #3 от Александр
Александр ответил в теме Зарядка от 36 вольт

leri пишет: какая зарядка АВТО или СЕТЕВАЯ И КАКАЯ ТРУБА в конце концов, правильно указывайте свой запрос
если авто то проще а с сетьевой- ставте повышающий транс и будет лафа

Про повышающий транс можно поподробнее?

Пожалуйста Войти или Регистрация, чтобы присоединиться к беседе.

Больше
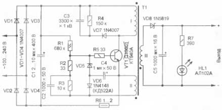
09 мая 2011 13:20 #4 от mega100
mega100 ответил в теме Зарядка от 36 вольт

leri пишет: с сетьевой- ставте повышающий транс и будет лафа

Нет так не пойдет.Слишком большие габариты.Возможноли переделать обычную китайскую зарядку чтоб работала от ~36В.?Схема такой ниже.
Вложения:

Пожалуйста Войти или Регистрация, чтобы присоединиться к беседе.

Больше
10 мая 2011 12:45 #5 от Владимир
Владимир ответил в теме Зарядка от 36 вольт
Может прросто поставить стабилизатор 78Lхх, смотря какое напряжение зарядки и последовательно поставить резистор, смотря какой нужен ток.

Пожалуйста Войти или Регистрация, чтобы присоединиться к беседе.

Модераторы: Doc
Вся информация, предоставленная на данном ресурсе разрешена к ознакомлению детям школьного возраста. Все практическое использование может быть связана с повышенной электрической опасностью и разрешено детям только под присмотром взрослых.