- Спасибо получено: 0
Емкостный датчик топлива
- imago81
-
Автор темы
Less
Больше
18 март 2010 05:53 #1
от imago81
imago81 создал тему: Емкостный датчик топлива
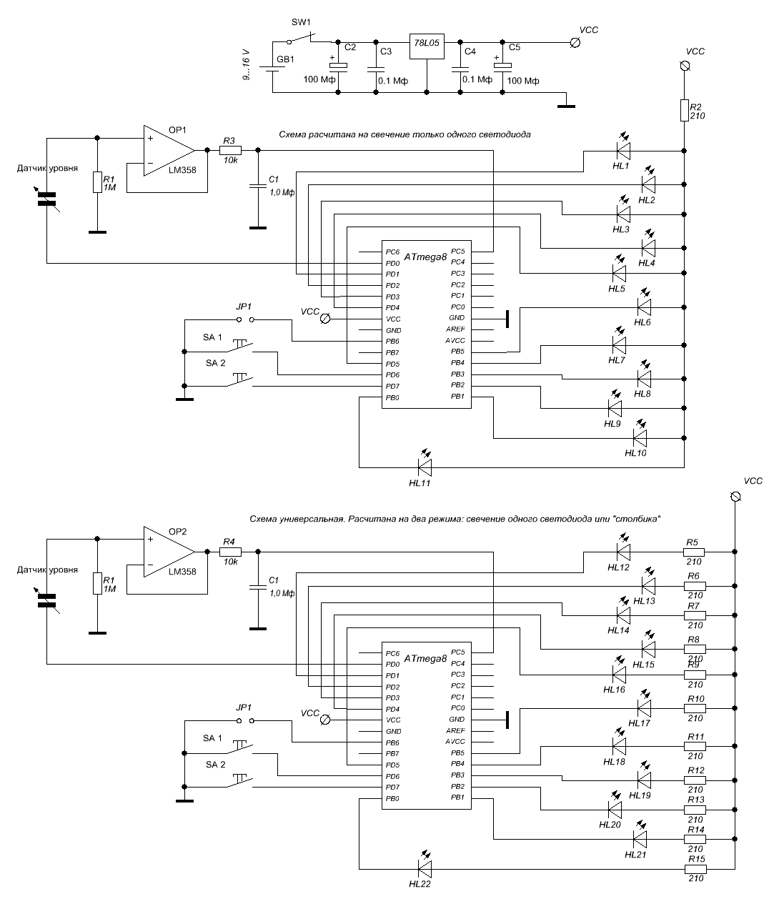
Всем здавствуйте! Нашел вот такую схему прибора для измерения количества топлива в баке (и вообще жидкости). Но на ней изображено три схемы:
1 (самая верхняя) я так понимаю через это подключается питание или нет?
2 (средняя) практически не интересует.
3 (нижняя) вот эта схема меня очень интересует, что такое VCC, эти точки должны соединяться? Резисторы я так думаю не обязательно 210 ОМ пойдут и на 200 ОМ? Резистор R1 обязательно на 1 мегаом?
Помогите разобраться с этим "чудовищем".
1 (самая верхняя) я так понимаю через это подключается питание или нет?
2 (средняя) практически не интересует.
3 (нижняя) вот эта схема меня очень интересует, что такое VCC, эти точки должны соединяться? Резисторы я так думаю не обязательно 210 ОМ пойдут и на 200 ОМ? Резистор R1 обязательно на 1 мегаом?
Помогите разобраться с этим "чудовищем".
Вложения:
Пожалуйста Войти или Регистрация, чтобы присоединиться к беседе.
- Smoker
-
- Не в сети
Less
Больше
- Сообщений: 825
- Спасибо получено: 2
18 март 2010 07:56 #2
от Smoker
Smoker ответил в теме Емкостный датчик топлива
Vсс- напряжение питания , соединяется от первой схемы(блок питания) к третьей или второй. Резисторы пойдут и 200 ом, r1 желательно 1 мом или близко к этому, от него зависит точность измерения.
Пожалуйста Войти или Регистрация, чтобы присоединиться к беседе.
- alibaba
-
- Не в сети
Less
Больше
- Сообщений: 58
- Спасибо получено: 0
18 март 2010 18:24 #3
от alibaba
alibaba ответил в теме Емкостный датчик топлива
Верхняя схема "Выдает" питание на операционный усилитель, микроконтролер и светодиоды как первой так и второй схемы, 200 или 210 ом отвечают за яркость свечения светодиодов ну и естественно увеличат ток нагрузки МК хотя и незначиельно.
Пожалуйста Войти или Регистрация, чтобы присоединиться к беседе.
- imago81
-
Автор темы
Less
Больше
- Спасибо получено: 0
19 март 2010 03:03 #4
от imago81
imago81 ответил в теме Емкостный датчик топлива
Спасибо за помощь, никогда с микропроцессарами дел не имел.
Пожалуйста Войти или Регистрация, чтобы присоединиться к беседе.
- imago81
-
Автор темы
Less
Больше
- Спасибо получено: 0
22 март 2010 03:05 #5
от imago81
imago81 ответил в теме Емкостный датчик топлива
Может кто еще подскажет для чего кнопки SA1, SA2. Понятно что для настройки но как именно?
Пожалуйста Войти или Регистрация, чтобы присоединиться к беседе.
Модераторы: Doc