- Сообщений: 176
- Спасибо получено: 0
ЗАМЕНА ТРАНЗИСТОРА
- gugjan
-
Автор темы
- Не в сети
Less
Больше
19 июль 2011 16:39 #1
от gugjan
gugjan создал тему: ЗАМЕНА ТРАНЗИСТОРА
BD 548
bd 558 есть заменяюшие транзисторы,,,???
bd 558 есть заменяюшие транзисторы,,,???
Пожалуйста Войти или Регистрация, чтобы присоединиться к беседе.
- Светлана
-
- Не в сети
19 июль 2011 17:27 #2
от Светлана
Если хотите, чтобы жизнь улыбалась вам, подарите ей своё хорошее настроение
Светлана ответил в теме ЗАМЕНА ТРАНЗИСТОРА
Сначала показали бы, в какой схеме заменить хотите
Если хотите, чтобы жизнь улыбалась вам, подарите ей своё хорошее настроение
Пожалуйста Войти или Регистрация, чтобы присоединиться к беседе.
- gugjan
-
Автор темы
- Не в сети
Less
Больше
- Сообщений: 176
- Спасибо получено: 0
19 июль 2011 18:04 #3
от gugjan
gugjan ответил в теме ЗАМЕНА ТРАНЗИСТОРА
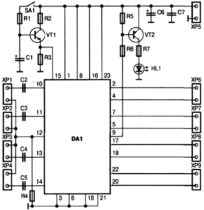
VT1 VT2
а там на вт2 не панимаю усилитель или ключ
а там на вт2 не панимаю усилитель или ключ
Вложения:
Пожалуйста Войти или Регистрация, чтобы присоединиться к беседе.
- Александр
-
- Не в сети
Less
Больше
- Сообщений: 117
- Спасибо получено: 0
19 июль 2011 18:21 #4
от Александр
Александр ответил в теме ЗАМЕНА ТРАНЗИСТОРА
Транзисторы можно заменить на любые аналогичные по структуре.
Да, VT2 здесь ключ.
Да, VT2 здесь ключ.
Пожалуйста Войти или Регистрация, чтобы присоединиться к беседе.
- gugjan
-
Автор темы
- Не в сети
Less
Больше
- Сообщений: 176
- Спасибо получено: 0
02 авг 2011 10:56 #5
от gugjan
gugjan ответил в теме ЗАМЕНА ТРАНЗИСТОРА
транзистор с945 можно исползовать в етом схеме как ключ VT1 vt2, там питание будет 14в,
внизу схема и данные с945,и если можно скажите там главное ветом случе толко волт???на данных,,и для вт 2 какой транзистор взят зарубежный
внизу схема и данные с945,и если можно скажите там главное ветом случе толко волт???на данных,,и для вт 2 какой транзистор взят зарубежный
Пожалуйста Войти или Регистрация, чтобы присоединиться к беседе.
Модераторы: Doc