- Сообщений: 2505
- Спасибо получено: 78
Диодный мост
- Rrenovatio
-
- Не в сети
Less
Больше
26 сен 2012 19:50 - 26 сен 2012 19:50 #6
от Rrenovatio
Rrenovatio ответил в теме Диодный мост
Вложения:
Последнее редактирование: 26 сен 2012 19:50 пользователем Rrenovatio.
Пожалуйста Войти или Регистрация, чтобы присоединиться к беседе.
- leri
-
- Не в сети
Less
Больше
- Сообщений: 341
- Спасибо получено: 13
27 сен 2012 00:15 #7
от leri
16Мв-это не память- это склероз!
leri ответил в теме Диодный мост
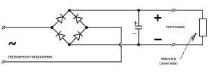
вообще принято рассчитывать напряжение после диодного моста и емкостного фильтра так Uпостоянки = Uпеременки *(умноженное) на 1.4
16Мв-это не память- это склероз!
Пожалуйста Войти или Регистрация, чтобы присоединиться к беседе.
- Doc
-
- Не в сети
27 сен 2012 07:57 - 27 сен 2012 08:09 #8
от Doc
Малое знание опасно, впрочем, как и большое....
Doc ответил в теме Диодный мост
Rrenovatio -
что напряжения после выпрямления падает - в корне не верно! в принципе Ieri уже привел Вам грубую формулу расчета постоянного напряжения. Конденсатор тут влияет на сглаживание пульсации и как следствие на показание вольтметра (так как вольтомметр меряет действующие а не пиковое значение), если померить данное напряжение осциллографом Вы увидите что пиковое напряжение до установки конденсатора и после не измениться, просто вид пульсации измениться на практически прямую)
Осталось только уточнить, что это для двух двухполупериодного выпрямителя (каковым диодный мост и является), для однополупериодного напряжение падает в 1.7 раза и никаким конденсатором его обратно не поднимешь.
по существу вариантов несколько
1) не правильно включен диодный мост ,замкнуты или перепутаны выводы постоянного и переменного напряжения (маловероятно - но проверить стоит)
2) диодный мост неисправен (проверить омметром, согласно схеме выше)
3) трансформатор настолько слаботочный, что обратный ток данного диодного моста больше чем может отдать трансформатор и идет просадка напряжения (проверить осталось ли напряжение на обмотках такое же как и до установки диодного моста)
проверять надо именно в такой последовательности как я написал, ибо показания 3 пункта могут быть следствием всех троих
что напряжения после выпрямления падает - в корне не верно! в принципе Ieri уже привел Вам грубую формулу расчета постоянного напряжения. Конденсатор тут влияет на сглаживание пульсации и как следствие на показание вольтметра (так как вольтомметр меряет действующие а не пиковое значение), если померить данное напряжение осциллографом Вы увидите что пиковое напряжение до установки конденсатора и после не измениться, просто вид пульсации измениться на практически прямую)
Осталось только уточнить, что это для двух двухполупериодного выпрямителя (каковым диодный мост и является), для однополупериодного напряжение падает в 1.7 раза и никаким конденсатором его обратно не поднимешь.
по существу вариантов несколько
1) не правильно включен диодный мост ,замкнуты или перепутаны выводы постоянного и переменного напряжения (маловероятно - но проверить стоит)
2) диодный мост неисправен (проверить омметром, согласно схеме выше)
3) трансформатор настолько слаботочный, что обратный ток данного диодного моста больше чем может отдать трансформатор и идет просадка напряжения (проверить осталось ли напряжение на обмотках такое же как и до установки диодного моста)
проверять надо именно в такой последовательности как я написал, ибо показания 3 пункта могут быть следствием всех троих
Малое знание опасно, впрочем, как и большое....
Последнее редактирование: 27 сен 2012 08:09 пользователем Doc.
Пожалуйста Войти или Регистрация, чтобы присоединиться к беседе.
- Владимир
-
Автор темы
Less
Больше
- Спасибо получено: 0
27 сен 2012 14:01 #9
от Владимир
Владимир ответил в теме Диодный мост
ДОК диодный мост подсоиденён правильно...а перед д.мостом напряжение с трансформатора показывает 13в переменки.. :blush:
Пожалуйста Войти или Регистрация, чтобы присоединиться к беседе.
- Doc
-
- Не в сети
27 сен 2012 14:45 #10
от Doc
Малое знание опасно, впрочем, как и большое....
Doc ответил в теме Диодный мост
тогда остается только 2 вариант
Малое знание опасно, впрочем, как и большое....
Пожалуйста Войти или Регистрация, чтобы присоединиться к беседе.
Модераторы: Doc