Ищу аналог

Больше
28 июль 2013 23:53 - 29 июль 2013 10:27 #1 от Евгений
Евгений создал тему: Ищу аналог
Всем доброго времени суток.

Решил сделать специальные часы на газоразрядных индикаторах, нашёл схемы и даже печатные платы, но там используется заранее сделанный высоковольтный источник питания, который производится только в Америке (как я понял).
Очень не хочется вообще что-то менять, да я бы и не смог (нет опыта и знаний), поэтому прошу помочь найти аналог (или где продаётся эта штука), который можно попроще достать в России.

Плата называется Taylor Electronics 1364 SmartNixie HVPS.

Вложенный файл:

Имя файла: h48c8134.pdf
Размер файла:198 KB
Вложения:
Последнее редактирование: 29 июль 2013 10:27 пользователем Doc.

Пожалуйста Войти или Регистрация, чтобы присоединиться к беседе.

Больше
29 июль 2013 10:27 #2 от Doc
Doc ответил в теме Ищу аналог
Вы бы приталили схему самих часов (что-то я не помню такого, что в газоразрядных используется Высоковольтное напряжения - максимум 40 вольт)

Малое знание опасно, впрочем, как и большое....

Пожалуйста Войти или Регистрация, чтобы присоединиться к беседе.

Больше
29 июль 2013 14:24 - 29 июль 2013 14:26 #3 от Евгений
Евгений ответил в теме Ищу аналог
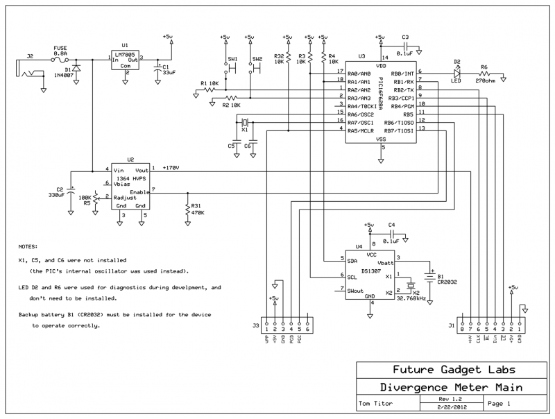
Прилагаю схемы часов.

Также прилагаю характеристики индикатора ИН-14, на которых он должен работать. Там вроде написано про 170 вольт, поправьте если не прав.


Также хотел спросить в добавок, как нужно проверять газоразрядные индикаторы, как точно их нужно подключать к источнику питания? Где-то видел, что нужно подключать через какой-то балластный резистор. Я в этом совсем не шарю, поэтому если кто может, объясните мне пожалуйста на пальцах как это делается по пунктам (чтоб просто цифры загорелись).
Последнее редактирование: 29 июль 2013 14:26 пользователем Евгений.

Пожалуйста Войти или Регистрация, чтобы присоединиться к беседе.

Больше
29 июль 2013 21:36 #4 от Doc
Doc ответил в теме Ищу аналог
А так вот в чем дело!
Это не люминесцентные, а неоновые индикаторы - да они для поджога захотят минимум 110вольт
Я такие поджигал просто о сети через один выпрямительный диод .
Кстати так их можно и проверить. общий конец в розетку, от другого полюса розетки через диод (типа д226) , по ножкам цифр - должны загораться
и Вы хотите этого монстра питать от батареек???

p.s. где Вы нашли таки раритетные индикаторы - даже в моих заначках их не осталось

Малое знание опасно, впрочем, как и большое....

Пожалуйста Войти или Регистрация, чтобы присоединиться к беседе.

Больше
30 июль 2013 01:01 #5 от Евгений
Евгений ответил в теме Ищу аналог
В сети же 220 вольт, а в документации написано напряжение зажигания меньше или равно 170 вольт. 220 вольт разве их не спалит? Также там же переменный ток и один диод же не сделает его постоянным (насколько я помню курс физики).

Всё таки хотел узнать насчёт балластного резистора, зачем же он тогда нужен? Вроде бы на схеме он есть, даже 3 штуки под каждый индикатор.

Кстати, такой вопрос насчёт питания: на оригинальном сайте было написано, что он питается от 9-вольтовой прямоугольной батарейки (горит около часа, но этот прибор и не должен работать постоянно, это вроде как коллекционная вещь). Но на схеме написано 5 вольт. Почему и нужно ли что-то менять, если питание изменится на 9 вольт?

И всё таки возвращаясь к первоначальному вопросу: есть ли какой-то аналог данной микросхемы высоковольтного питания, которая используется в схеме?

P.S. Индикаторы нашёл в палаточке возле митинского радио рынка. На самом рынке сложновато найти, но в интернете видел несколько сайтов, продающих данные индикаторы. Вроде бы и не такая уж и редкость.
P.P.S. Извините заранее за глупые вопросы, я в этой области вообще почти ничего не знаю.

Пожалуйста Войти или Регистрация, чтобы присоединиться к беседе.

Модераторы: Doc
Вся информация, предоставленная на данном ресурсе разрешена к ознакомлению детям школьного возраста. Все практическое использование может быть связана с повышенной электрической опасностью и разрешено детям только под присмотром взрослых.