подобрать резистор

  • mao-sin
  • mao-sin аватар
Больше
23 июль 2008 15:25 #6 от mao-sin
mao-sin ответил в теме подобрать резистор
Конденсатор 330 нФ на 400 вольт, параллельно ему резистор 220 ком, 0,125 Вт. Параллельно светодиоду встречно диод любой. Без диода светодиод выгорает в доли секунды (пробивается обратным напряжением). Светодиодов можно и несколько (штук 5) последовательно, встречный диод всёравно один на всю цепочку.

Пожалуйста Войти или Регистрация, чтобы присоединиться к беседе.

  • MXP
  • MXP аватар Автор темы
Больше
23 июль 2008 17:53 #7 от MXP
MXP ответил в теме подобрать резистор

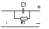
mao-sin пишет: Конденсатор 330 нФ на 400 вольт, параллельно ему резистор 220 ком, 0,125 Вт. Параллельно светодиоду встречно диод любой. Без диода светодиод выгорает в доли секунды (пробивается обратным напряжением). Светодиодов можно и несколько (штук 5) последовательно, встречный диод всёравно один на всю цепочку.

куда мне на этой схеме вставить диод чтоб светодиод не перегорел?
Какой стороной ставить диод? :oops:
Вложения:

Пожалуйста Войти или Регистрация, чтобы присоединиться к беседе.

Больше
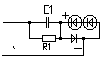
24 июль 2008 03:51 #8 от Doc
Doc ответил в теме подобрать резистор
вот так

Малое знание опасно, впрочем, как и большое....
Вложения:

Пожалуйста Войти или Регистрация, чтобы присоединиться к беседе.

  • mao-sin
  • mao-sin аватар
Больше
24 июль 2008 03:56 #9 от mao-sin
mao-sin ответил в теме подобрать резистор
Да, всё абсолютно правильно.

Пожалуйста Войти или Регистрация, чтобы присоединиться к беседе.

Модераторы: Doc
Вся информация, предоставленная на данном ресурсе разрешена к ознакомлению детям школьного возраста. Все практическое использование может быть связана с повышенной электрической опасностью и разрешено детям только под присмотром взрослых.