- Сообщений: 1245
- Спасибо получено: 31
Помогите с усилком
- Вячеслав
-
- Не в сети
Less
Больше
15 июль 2009 15:23 #11
от Вячеслав
Вячеслав ответил в теме Помогите с усилком
Даю несколько схем. Как выберешь и будут вопросы - задавай.
Пожалуйста Войти или Регистрация, чтобы присоединиться к беседе.
- monolit
-
Автор темы
Less
Больше
- Спасибо получено: 0
16 июль 2009 06:32 #12
от monolit
monolit ответил в теме Помогите с усилком
вообщем это то что мне нужно - tda7253.pdf ??
А сможет эта штуковина птаться через USB, или слабоват этот чудо порт?
Насколько понял 12v адаптер подойдёт...
Smoker, мне не нужен качественный звук, а просто хочется спаять эту фигню)) Жалко деньги тратить на колонки для работы, заодно научусь чему хорошему)
А сможет эта штуковина птаться через USB, или слабоват этот чудо порт?
Насколько понял 12v адаптер подойдёт...
Smoker, мне не нужен качественный звук, а просто хочется спаять эту фигню)) Жалко деньги тратить на колонки для работы, заодно научусь чему хорошему)
Пожалуйста Войти или Регистрация, чтобы присоединиться к беседе.
- monolit
-
Автор темы
Less
Больше
- Спасибо получено: 0
16 июль 2009 06:44 #13
от monolit
monolit ответил в теме Помогите с усилком
torkvil, это для Низких частот? и мне нужен одноканальный...
Пожалуйста Войти или Регистрация, чтобы присоединиться к беседе.
- Вячеслав
-
- Не в сети
Less
Больше
- Сообщений: 1245
- Спасибо получено: 31
16 июль 2009 19:08 #14
от Вячеслав
Вячеслав ответил в теме Помогите с усилком
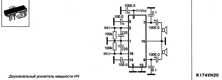
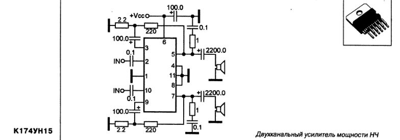
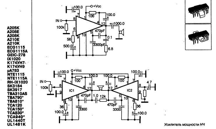
Низкая частота - это звуковая, которую мы слышим. Прикрепляю параметры микросхем. В таблице последовательно идут:
Тип корпуса;Минимальное напряжение питания; Максимальное напряжение питания; Максимальная выходная мощность; Сопротивление нагрузки; Минимальный ток потребления; Максимальный ток(может быть не указан, т.к. зависит от громкости и мощности); Рабочая частота; Входное сопротивление; Коэффициент нелинейных искажений; Коэффициент усиления; Страна производитель; Страница.
Где в таблице написано без 2помножить количество Ом - это стерео, остальные моно.
Тип корпуса;Минимальное напряжение питания; Максимальное напряжение питания; Максимальная выходная мощность; Сопротивление нагрузки; Минимальный ток потребления; Максимальный ток(может быть не указан, т.к. зависит от громкости и мощности); Рабочая частота; Входное сопротивление; Коэффициент нелинейных искажений; Коэффициент усиления; Страна производитель; Страница.
Где в таблице написано без 2помножить количество Ом - это стерео, остальные моно.
Вложения:
Пожалуйста Войти или Регистрация, чтобы присоединиться к беседе.
- sergeyberiy
-
Less
Больше
- Спасибо получено: 0
17 июль 2009 10:53 #15
от sergeyberiy
sergeyberiy ответил в теме Помогите с усилком
В компе есть линейный выход,зачем заморачиватся,если я прав в USB 5 Вольт
Пожалуйста Войти или Регистрация, чтобы присоединиться к беседе.
Модераторы: Doc