- Спасибо получено: 0
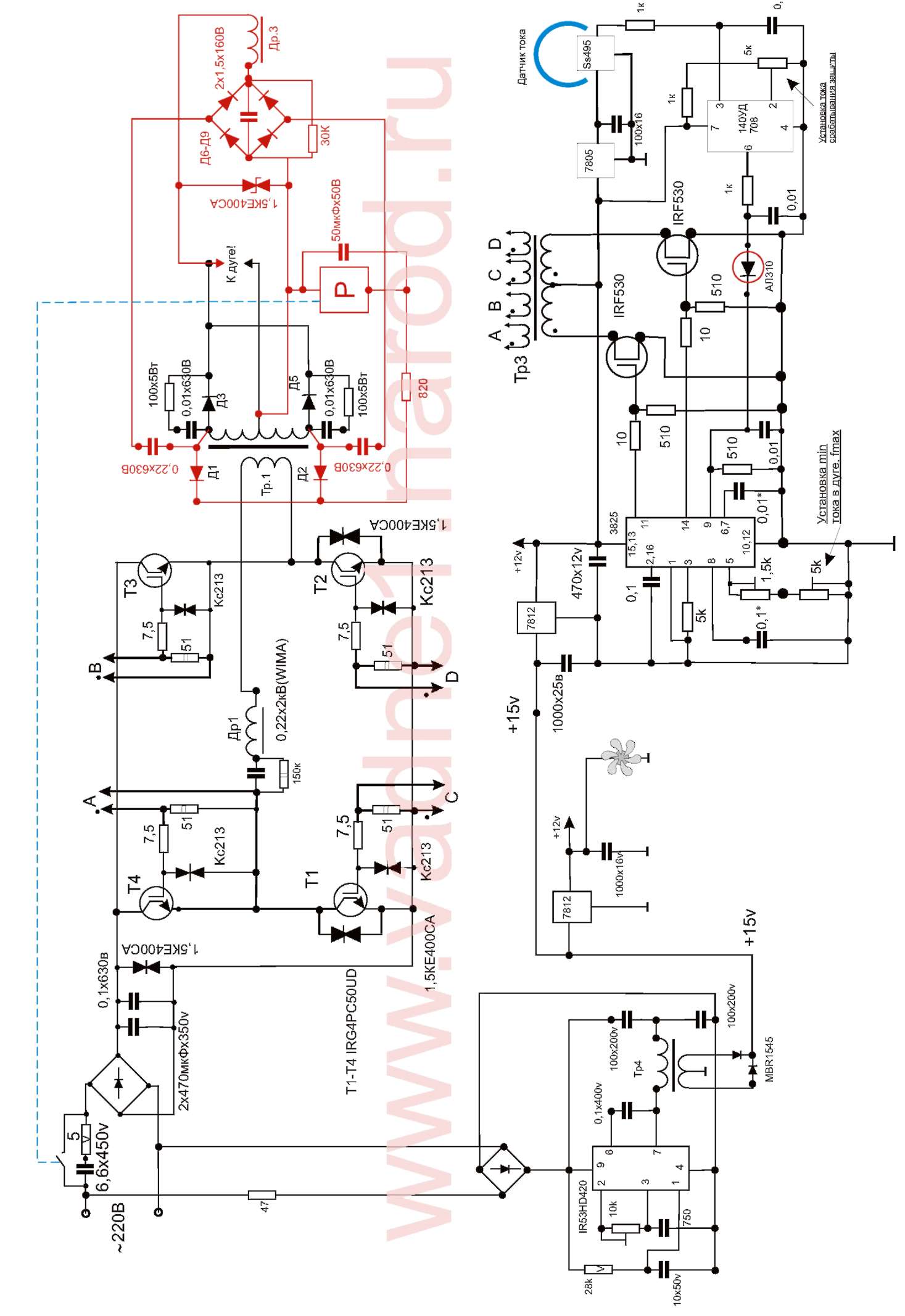
Кто нибудь собирал сварочный инвертор по схеме Негуляева?
Модераторы: Doc
Вся информация, предоставленная на данном ресурсе разрешена к ознакомлению детям школьного возраста. Все практическое использование может быть связана с повышенной электрической опасностью и разрешено детям только под присмотром взрослых.