- Спасибо получено: 0
Автомат зажигания
- K01I
-
Less
Больше
05 фев 2007 19:07 #6
от K01I
посложнее на логике и теристорах
ты индикатор хочешь пришпандорить чтоли?
K01I ответил в теме Автомат зажигания
если просто то на теристорах, сопр и кондерахtomas111 пишет: Мне в принцпе пофиг на чём ... Главное что бы выход был 12 вольт
И желательно вход тоже 12
посложнее на логике и теристорах
ты индикатор хочешь пришпандорить чтоли?
Пожалуйста Войти или Регистрация, чтобы присоединиться к беседе.
- tomas111
-
Автор темы
Less
Больше
- Спасибо получено: 0
05 фев 2007 21:03 #7
от tomas111
tomas111 ответил в теме Автомат зажигания
Ты жогадливый - Этоп охвально !!!
Мне нужно что бы заралась то одна то другая ... две в обешм
А вот непойму где найти на две ??7 Везде около 7 или 20
Мне нужно что бы заралась то одна то другая ... две в обешм
А вот непойму где найти на две ??7 Везде около 7 или 20
Пожалуйста Войти или Регистрация, чтобы присоединиться к беседе.
- K01I
-
Less
Больше
- Спасибо получено: 0
07 фев 2007 18:11 #8
от K01I
K01I ответил в теме Автомат зажигания
2.. хм.. помню давно соберал на логике(155ла3)+транзисторы(361)tomas111 пишет: Ты жогадливый - Этоп охвально !!!
Мне нужно что бы заралась то одна то другая ... две в обешм
А вот непойму где найти на две ??7 Везде около 7 или 20
Пожалуйста Войти или Регистрация, чтобы присоединиться к беседе.
- tomas111
-
Автор темы
Less
Больше
- Спасибо получено: 0
07 фев 2007 18:53 #9
от tomas111
tomas111 ответил в теме Автомат зажигания
А схема осталась ???
Пожалуйста Войти или Регистрация, чтобы присоединиться к беседе.
- K01I
-
Less
Больше
- Спасибо получено: 0
08 фев 2007 16:08 - 08 фев 2007 17:22 #10
от K01I
K01I ответил в теме Автомат зажигания
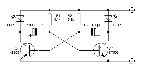
нет конечно.. эт моя самая первая схема была.. 
ща подумаю поищю чонить...
если чо есть схема на бегущие огни 17 светодиодов (на 3 микросх)
elkin52.narod.ru/texnika/sxema3 . h tm
ща подумаю поищю чонить...
если чо есть схема на бегущие огни 17 светодиодов (на 3 микросх)
elkin52.narod.ru/texnika/sxema3 . h tm
Вложения:
Последнее редактирование: 08 фев 2007 17:22 пользователем K01I.
Пожалуйста Войти или Регистрация, чтобы присоединиться к беседе.
Модераторы: Doc