- Сообщений: 38
- Спасибо получено: 0
Как сделать усилитель напряжения из операционного
- Max
-
Автор темы
- Не в сети
Less
Больше
24 янв 2012 15:08 - 24 янв 2012 16:19 #6
от Max
Max ответил в теме Re: Как сделать усилитель напряжения из операционного
А среднюю точку двухполярного куда садить? Короче, подключил сегодня двухполярное питание к этому ОУ, а среднюю точку питания посадил на общий. Резисторы 1000/100 Ом, на вход подавал 1В. Без входного 1В на выходе получилось 1,2В, при подаче входного от 1В до 4В на выходе 6,25В и не меняется. Мерил относительно общего и выхода.
Последнее редактирование: 24 янв 2012 16:19 пользователем Max.
Пожалуйста Войти или Регистрация, чтобы присоединиться к беседе.
- Вячеслав
-
- Не в сети
Less
Больше
- Сообщений: 1245
- Спасибо получено: 31
24 янв 2012 19:10 #7
от Вячеслав
Вячеслав ответил в теме Re: Как сделать усилитель напряжения из операционного
По такому подключал и подавал сигнал, хоть схемку свою нарисуй.
Вложения:
Пожалуйста Войти или Регистрация, чтобы присоединиться к беседе.
- Max
-
Автор темы
- Не в сети
Less
Больше
- Сообщений: 38
- Спасибо получено: 0
24 янв 2012 22:37 - 29 янв 2012 02:12 #8
от Max
Max ответил в теме Re: Как сделать усилитель напряжения из операционного
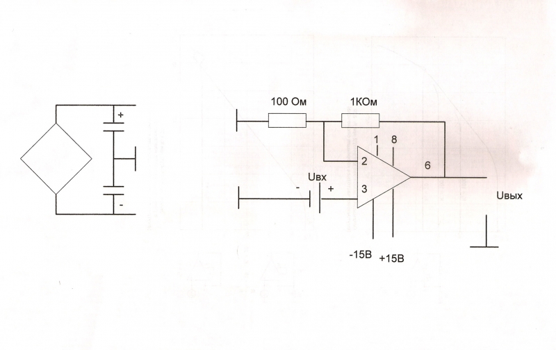
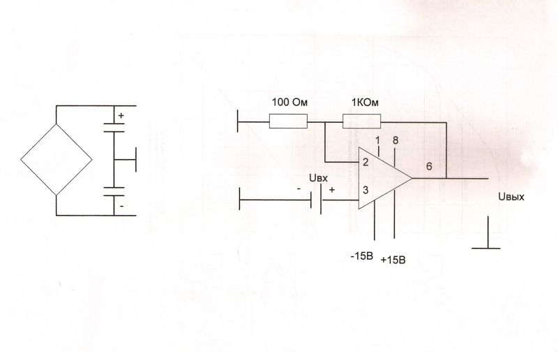
Я подавал на вход постоянку, вечерком схемку нарисую. Но она та, что была в присланном тобой даташете, схемка неинвертирующего усилителя и добавил среднюю точку питания на общий.
Вложения:
Последнее редактирование: 29 янв 2012 02:12 пользователем Max.
Пожалуйста Войти или Регистрация, чтобы присоединиться к беседе.
- Max
-
Автор темы
- Не в сети
Less
Больше
- Сообщений: 38
- Спасибо получено: 0
29 янв 2012 10:43 #9
от Max
Max ответил в теме Re: Как сделать усилитель напряжения из операционного
Вложения:
Пожалуйста Войти или Регистрация, чтобы присоединиться к беседе.
- Вячеслав
-
- Не в сети
Less
Больше
- Сообщений: 1245
- Спасибо получено: 31
29 янв 2012 15:23 #10
от Вячеслав
Вячеслав ответил в теме Как сделать усилитель напряжения из операционного
И как ведёт себя напряжение на выходе от смены напряжения на входе?
Может стоит увеличить сопротивление до хотя бы 10кОм и поставить переменное. Первую ножку сопротивления на корпус, вторую на вторую микросхемы, третью на шестую микросхемы. И при разном положении движка пробовать характеристики.
Может стоит увеличить сопротивление до хотя бы 10кОм и поставить переменное. Первую ножку сопротивления на корпус, вторую на вторую микросхемы, третью на шестую микросхемы. И при разном положении движка пробовать характеристики.
Пожалуйста Войти или Регистрация, чтобы присоединиться к беседе.
Модераторы: Doc