Как сделать усилитель напряжения из операционного

Больше
25 фев 2012 06:47 #76 от Вячеслав
Ура! Теперь я понял что электрод без без батарейки. Пока не делай то что я писал.
Нам надо определить какие токи мы будем мерить и от какого напряжения? Для этого нам надо сделать опорное напряжение питания, микросхема для питания датчика не подходит так как входные токи микросхемы очень малы. (хотя есть идея, если не прав пусть поправят, может датчик подключить между 2-ой и 3-ей ножкой микросхемы, ну это уже другой способ измерения?).
Извини надо бежать, приду дальше опишу...

Пожалуйста Войти или Регистрация, чтобы присоединиться к беседе.

Больше
25 фев 2012 09:09 #77 от Max
Извиняюсь но на сколько я знаю, милливольтметр нужен с очень высоким входным сопротивлением, т.к. измеряемый от электрода ток в микроамперах

Пожалуйста Войти или Регистрация, чтобы присоединиться к беседе.

Больше
25 фев 2012 10:02 #78 от Вячеслав
Сейчас и китайские меряют милиАмперы. От одной батарейки измерь ток через электрод, и если не трудно от двух последовательно или трёх последовательно, нужно определить каким опорным напряжением будем пользоваться.

Пожалуйста Войти или Регистрация, чтобы присоединиться к беседе.

Больше
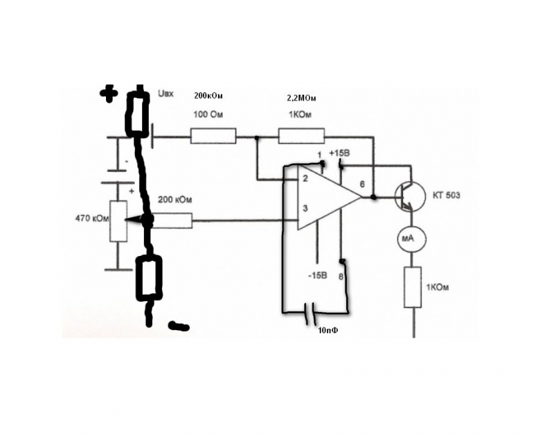
25 фев 2012 13:16 #79 от Вячеслав
Вот тебе схема включения датчика, нужно добавить два сопротивления, но их номиналы зависят от измеренного тока датчика при подключении батарейки или трёх.
Вложения:

Пожалуйста Войти или Регистрация, чтобы присоединиться к беседе.

Больше
25 фев 2012 13:37 - 25 фев 2012 13:41 #80 от Alexander Kobets

ironmax68 пишет: Извиняюсь но на сколько я знаю, милливольтметр нужен с очень высоким входным сопротивлением, т.к. измеряемый от электрода ток в микроамперах

Ты путаешь две разные вещи - напряжение и ток. У тестера высокое входное сопротивление при измерении напряжения, и почти нулевое сопротивление при измерении тока.
Я потому и советовал именно цифровой, потому что у них достаточно высокие характеристики.
Последнее редактирование: 25 фев 2012 13:41 пользователем Alexander Kobets.

Пожалуйста Войти или Регистрация, чтобы присоединиться к беседе.

Модераторы: Doc
Вся информация, предоставленная на данном ресурсе разрешена к ознакомлению детям школьного возраста. Все практическое использование может быть связана с повышенной электрической опасностью и разрешено детям только под присмотром взрослых.