- Сообщений: 1116
- Спасибо получено: 46
Помехоустойчивое фотореле
- Николай Петрович
-
Автор темы
- Не в сети
Less
Больше
12 окт 2013 10:10 - 13 окт 2013 08:24 #1
от Николай Петрович
Николай Петрович создал тему: Помехоустойчивое фотореле
В силу обстоятельств мне понадобилась схема фотореле. В журнале Радиолюбитель № 7 2001 г. ст. 14 я нашел такую схему В.Галяшова.
При анализе этой схемы обнаружил, с моей точки зрения, один существенный недостаток. Согласно заложенному алгоритму работы фотореле, оно имеет выдержки времени как на включение, так и на отключение освещения. Считаю, что выдержка времени на включение излишняя и даже вредна и опасна для пользователей.
Выдержка времени на отключение необходима для исключения ложного отключения освещения в результате помехи (грозовые разряды, автомобильные фары и т.п.).
Выдержка времени на включение может создать ситуацию, при которой фотореле не включит освещение в течение нескольких десятков минут или не включит вообще. Например, при рядом расположенной, периодически вспыхивающей рекламе или интенсивном движении автотранспорта с включенными фарами. Кроме того, нам неизвестно как быстро понизится уровень освещённости освещаемого объекта? Это зависит от времени года, погодных условий, рельефа местности и от самого объекта. Ну а если, рано утром, когда фотореле только что отключило уличное освещение, или вечером, когда должно включить, придёт туча, от которой и днём довольно пасмурно - людям придётся передвигаться в темноте. Атмосферные разряды и автомобильные фары будут обнулять счётчик вплоть до окончания грозы. Люди будут вынуждены передвигаться в сырости, темноте, ослеплённые атмосферными разрядами. Передвижение в темноте чревато последствиями.
В моей схеме этот недостаток устранён. Схема имеет меньшее количество элементов, отсутствует трансформатор, что делает изготовление фотореле более технологичным и дешевым.
Схема обеспечивает защиту от ложных срабатываний. Гистерезис - от сравнительно небольших колебаний освещённости. Выдержка времени на отключение – защиту от случайного освещения светом фар автомобиля, грозовых разрядов и т. п. Алгоритм работы фотореле заключён в следующем: отключение освещения происходит через выдержку времени, что и обеспечивает защиту от помех. Включение освещения, при минимальном уровне освещённости, незамедлительно, потому что темно.
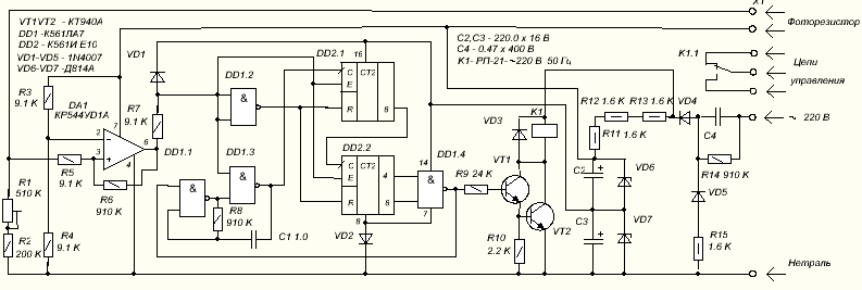
Принципиальная схема приведена на рисунке 1. В качестве фотодатчика применён фоторезистор СФ2 – 16. Возможно применение фоторезистора ФСК, либо каких других. В этом случае придётся подобрать резистор R2. Фоторезистор (на схеме не показан), резисторы R1, R2 и резисторы R3, R4 образуют два плеча измерительного моста. Баланс моста, при какой то заданной освещённости, обеспечивается резистором R1. При изменении освещённости относительно заданной, мост разбалансируется и напряжение разбаланса, с фоторезистора, поступает на неинвентирующий вход триггера Шмита, который выполнен на операционном усилителе DA1, охваченном положительной обратной связью через резистор R6. Величина гистерезиса определяется отношением резисторов R6,R5. Резистор R7, диод VD1 формируют уровень логической единицы, R7, VD2 - логического нуля. В дальнейшем они управляют работой cчётчика и генератора импульсов собранных на микросхемах DD1, DD2.
Генератор импульсов выполнен на элементах DD1.1, DD1.3. Частоту генератора можно изменять резистором R8 и конденсатором С1, чем изменяем время счёта счётчика.
На микросхеме DD2 и элементах D1.2 и D1.4 собран счётчик импульсов с логикой управления и цепями сброса. При высокой освещённости фоторезистора на выходе DA1 присутствует логическая 1, разрешающая работу генератора и счётчика DD2. , включённого как 8 - разрядный двоичный счётчик. После 192 - х импульсов (128+64) на выходе элемента DD1.4 будет присутствовать логический 0, который запретит работу генератора и отключит реле К1. Освещение отключится.
При уменьшении освещённости ниже заданной резистором R1, триггер переключается в со-стояние 0, который запретит работу генератора, счётчика DD2 и инвертором на элементе DD1.2 обнулит счётчик DD2. С приходом 0 на входа элемента DD1.4 он, с помощью своей инверсии и транзисторов VT1, VT2, включит реле К1. В свою очередь, реле К1 включит освещение. Дублиро-вание запрета счёта по входам R,E,C (по входу С – вследствие запрета работы генератора DD1.1,DD1.3 ) предусмотрено во избежание воздействия на счётчик всевозможных импульсных помех по цепям питания схемы.
С приходом такой помехи как освещение, фарами автомобиля фоторезистора, на выходе DA1 появится 1, которая включит генератор и счётчик и если за время счёта 3 – 3,5 минуты происходит изменение освещённости, вновь произойдёт обнуление счётчика. Реле К1 не изменит своего состояния.
Цепь питания состоит из резисторов R11 – R15, стабилитронов VD6,VD7, диодов VD4, VD5 и конденсаторов С2 – С4. Резисторы R11 – R13 ограничивают ток стабилитронов, обеспечивают необходимую величину напряжения для срабатывания реле К1. Кроме того, в зимнее время, препятствуют переохлаждению деталей фотореле. Резистор R15 ограничивает ток заряда конденсатора С4 в момент включения фотореле в сеть. На выпрямительные диоды VD4,VD5 через гасящие резистор R14 и конденсатор С4, поступает сетевое напряжение 220 В которое выпрямляется и ограничивается стабилитронами VD6,VD7. При отключении питания от устройства конденсатор С4 разряжается через резистор R14, что снижает риск поражения электрическим током.
Нумерация выводов микросхем DD1 и DD2 не указаны, т.к. конфигурация печатной платы может быть любой, в зависимости от применяемого корпуса.
В Н И М А Н И Е !
Устройство имеет бестрансформаторное питание, поэтому прикосновение к токоведущим частям опасно для жизни.
При анализе этой схемы обнаружил, с моей точки зрения, один существенный недостаток. Согласно заложенному алгоритму работы фотореле, оно имеет выдержки времени как на включение, так и на отключение освещения. Считаю, что выдержка времени на включение излишняя и даже вредна и опасна для пользователей.
Выдержка времени на отключение необходима для исключения ложного отключения освещения в результате помехи (грозовые разряды, автомобильные фары и т.п.).
Выдержка времени на включение может создать ситуацию, при которой фотореле не включит освещение в течение нескольких десятков минут или не включит вообще. Например, при рядом расположенной, периодически вспыхивающей рекламе или интенсивном движении автотранспорта с включенными фарами. Кроме того, нам неизвестно как быстро понизится уровень освещённости освещаемого объекта? Это зависит от времени года, погодных условий, рельефа местности и от самого объекта. Ну а если, рано утром, когда фотореле только что отключило уличное освещение, или вечером, когда должно включить, придёт туча, от которой и днём довольно пасмурно - людям придётся передвигаться в темноте. Атмосферные разряды и автомобильные фары будут обнулять счётчик вплоть до окончания грозы. Люди будут вынуждены передвигаться в сырости, темноте, ослеплённые атмосферными разрядами. Передвижение в темноте чревато последствиями.
В моей схеме этот недостаток устранён. Схема имеет меньшее количество элементов, отсутствует трансформатор, что делает изготовление фотореле более технологичным и дешевым.
Схема обеспечивает защиту от ложных срабатываний. Гистерезис - от сравнительно небольших колебаний освещённости. Выдержка времени на отключение – защиту от случайного освещения светом фар автомобиля, грозовых разрядов и т. п. Алгоритм работы фотореле заключён в следующем: отключение освещения происходит через выдержку времени, что и обеспечивает защиту от помех. Включение освещения, при минимальном уровне освещённости, незамедлительно, потому что темно.
Принципиальная схема приведена на рисунке 1. В качестве фотодатчика применён фоторезистор СФ2 – 16. Возможно применение фоторезистора ФСК, либо каких других. В этом случае придётся подобрать резистор R2. Фоторезистор (на схеме не показан), резисторы R1, R2 и резисторы R3, R4 образуют два плеча измерительного моста. Баланс моста, при какой то заданной освещённости, обеспечивается резистором R1. При изменении освещённости относительно заданной, мост разбалансируется и напряжение разбаланса, с фоторезистора, поступает на неинвентирующий вход триггера Шмита, который выполнен на операционном усилителе DA1, охваченном положительной обратной связью через резистор R6. Величина гистерезиса определяется отношением резисторов R6,R5. Резистор R7, диод VD1 формируют уровень логической единицы, R7, VD2 - логического нуля. В дальнейшем они управляют работой cчётчика и генератора импульсов собранных на микросхемах DD1, DD2.
Генератор импульсов выполнен на элементах DD1.1, DD1.3. Частоту генератора можно изменять резистором R8 и конденсатором С1, чем изменяем время счёта счётчика.
На микросхеме DD2 и элементах D1.2 и D1.4 собран счётчик импульсов с логикой управления и цепями сброса. При высокой освещённости фоторезистора на выходе DA1 присутствует логическая 1, разрешающая работу генератора и счётчика DD2. , включённого как 8 - разрядный двоичный счётчик. После 192 - х импульсов (128+64) на выходе элемента DD1.4 будет присутствовать логический 0, который запретит работу генератора и отключит реле К1. Освещение отключится.
При уменьшении освещённости ниже заданной резистором R1, триггер переключается в со-стояние 0, который запретит работу генератора, счётчика DD2 и инвертором на элементе DD1.2 обнулит счётчик DD2. С приходом 0 на входа элемента DD1.4 он, с помощью своей инверсии и транзисторов VT1, VT2, включит реле К1. В свою очередь, реле К1 включит освещение. Дублиро-вание запрета счёта по входам R,E,C (по входу С – вследствие запрета работы генератора DD1.1,DD1.3 ) предусмотрено во избежание воздействия на счётчик всевозможных импульсных помех по цепям питания схемы.
С приходом такой помехи как освещение, фарами автомобиля фоторезистора, на выходе DA1 появится 1, которая включит генератор и счётчик и если за время счёта 3 – 3,5 минуты происходит изменение освещённости, вновь произойдёт обнуление счётчика. Реле К1 не изменит своего состояния.
Цепь питания состоит из резисторов R11 – R15, стабилитронов VD6,VD7, диодов VD4, VD5 и конденсаторов С2 – С4. Резисторы R11 – R13 ограничивают ток стабилитронов, обеспечивают необходимую величину напряжения для срабатывания реле К1. Кроме того, в зимнее время, препятствуют переохлаждению деталей фотореле. Резистор R15 ограничивает ток заряда конденсатора С4 в момент включения фотореле в сеть. На выпрямительные диоды VD4,VD5 через гасящие резистор R14 и конденсатор С4, поступает сетевое напряжение 220 В которое выпрямляется и ограничивается стабилитронами VD6,VD7. При отключении питания от устройства конденсатор С4 разряжается через резистор R14, что снижает риск поражения электрическим током.
Нумерация выводов микросхем DD1 и DD2 не указаны, т.к. конфигурация печатной платы может быть любой, в зависимости от применяемого корпуса.
В Н И М А Н И Е !
Устройство имеет бестрансформаторное питание, поэтому прикосновение к токоведущим частям опасно для жизни.
Вложения:
Последнее редактирование: 13 окт 2013 08:24 пользователем Николай Петрович.
Пожалуйста Войти или Регистрация, чтобы присоединиться к беседе.
- Rrenovatio
-
- Не в сети
Less
Больше
- Сообщений: 2505
- Спасибо получено: 78
12 окт 2013 15:09 #2
от Rrenovatio
Rrenovatio ответил в теме Помехоустойчивое фотореле
Shockwave Flash Object - это что за тип файла такой?
и чем его смотреть!
а нельзя было попроще по человечески в JPEG-рисунок!
и чем его смотреть!
а нельзя было попроще по человечески в JPEG-рисунок!
Пожалуйста Войти или Регистрация, чтобы присоединиться к беседе.
- Николай Петрович
-
Автор темы
- Не в сети
Less
Больше
- Сообщений: 1116
- Спасибо получено: 46
12 окт 2013 15:49 #3
от Николай Петрович
Николай Петрович ответил в теме Помехоустойчивое фотореле
splan60 программа для черчения электронных схем. JPEG-рисунок - а как его сделать?
Пожалуйста Войти или Регистрация, чтобы присоединиться к беседе.
- Николай Петрович
-
Автор темы
- Не в сети
Less
Больше
- Сообщений: 1116
- Спасибо получено: 46
12 окт 2013 17:23 - 12 окт 2013 17:26 #4
от Николай Петрович
Николай Петрович ответил в теме Помехоустойчивое фотореле
А так не лучше?
Вложения:
Последнее редактирование: 12 окт 2013 17:26 пользователем Николай Петрович.
Пожалуйста Войти или Регистрация, чтобы присоединиться к беседе.
- Rrenovatio
-
- Не в сети
Less
Больше
- Сообщений: 2505
- Спасибо получено: 78
12 окт 2013 18:46 - 12 окт 2013 18:47 #5
от Rrenovatio
Rrenovatio ответил в теме Помехоустойчивое фотореле
Вложения:
Последнее редактирование: 12 окт 2013 18:47 пользователем Rrenovatio.
Пожалуйста Войти или Регистрация, чтобы присоединиться к беседе.
Модераторы: Doc