Контроллер питания.

Больше
07 апр 2016 13:57 - 07 апр 2016 13:58 #26 от Николай Петрович
Николай Петрович ответил в теме Контроллер питания.
Знаете же, наверное, что из го - на конфетку не сделаеш. Почему не ответите на #21? Стабилизатор тока нужен или нет?
Последнее редактирование: 07 апр 2016 13:58 пользователем Николай Петрович.

Пожалуйста Войти или Регистрация, чтобы присоединиться к беседе.

Больше
07 апр 2016 14:48 - 07 апр 2016 14:56 #27 от Rrenovatio
Rrenovatio ответил в теме Контроллер питания.
Сколько будет АКБ? Какой БП (Напряжение)? Есть генератор тока? На ток порядка 0,4 А. Чтобы можно было регулировать ток в зтом пределе.
В цепочке будет четыре АКБ. по 3.7 вольт (полный заряд 4.2)
БП думаю применить с ноутбука - 19 вольт и довольно таки мощный - 3.16А.
Можно и с компьютера БП там чуть больше 12 вольт.
Есть импульсный на 24 вольта 5А (я бы тогда в цепочку 5 элементов поставил!!!
ЧТО ЕЩЁ ЛУЧШЕ,,,, элементы будут стоять не по одному, а штук по 4-5 параллельно!
точно ещё не определился.
Генератор тока??? :blink: - первый раз слышу о таком. :pinch:
Петрович, просьба пожалуйста если пишите сообщение то лучше в новом окне!
потому и не ответил что старые окна уже не перечитываю...
Спасибо.



приблизительно так!
Вложения:
Последнее редактирование: 07 апр 2016 14:56 пользователем Rrenovatio.

Пожалуйста Войти или Регистрация, чтобы присоединиться к беседе.

Больше
07 апр 2016 19:01 - 07 апр 2016 19:07 #28 от Николай Петрович
Николай Петрович ответил в теме Контроллер питания.
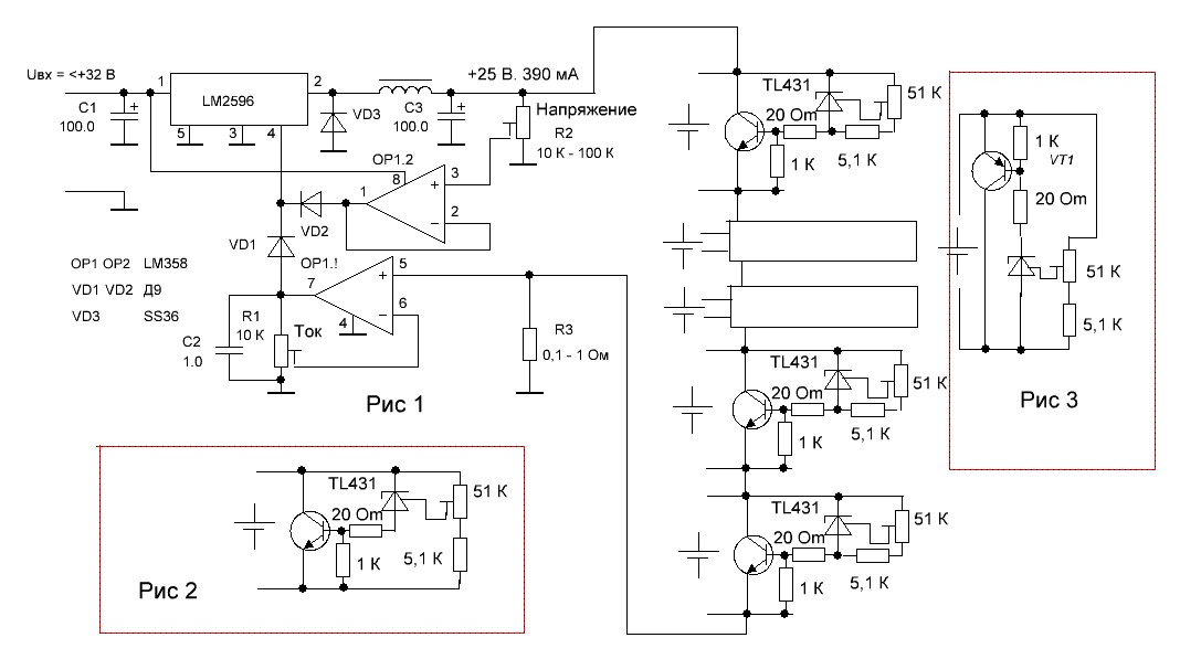
Устройство стабилизатора (генератора) тока можно сделать из БП, что у Доса в магазине. 148 рублей и ни каких головных болей с дросселями и диодами. Переделка не сложная. Варианты включения контролирующих зарядку транзисторов на рис2 и рис3. Если будете делать, или что не понятно - спрашивайте.


Оригинал статьи про стабилизатор тока
catethysis.ru/lm2596_dc-dc_converter/#a1
Мне нравится на рис3. Рис2 не внушает доверия.
Вложения:
Последнее редактирование: 07 апр 2016 19:07 пользователем Николай Петрович.

Пожалуйста Войти или Регистрация, чтобы присоединиться к беседе.

Больше
07 апр 2016 19:48 #29 от Rrenovatio
Rrenovatio ответил в теме Контроллер питания.
Большое спасибо за развернутую статью.
У меня сразу возник вопрос в необходимости стабилизатора тока!
:dry:
Я как бы думал наоборот... чем мощнее БП, тем быстрее будет проходить зарядка!
что очень немаловажно.
Током в 390 мА, мой АКБ будет до второго пришествия заряжаться!!! :pinch:
Здесь особая важность в том, что бы ток на выходе был как можно БОЛЬШЕ!
Максимально большой!!! Элементов то много...
Варианты включения контролирующих зарядку транзисторов - понятно,
а как воплотить то что при полной зарядке всех элементов, зарядное отключит
питание, что бы не перезарядить элементы.
Транзисторы все начнут греться и даже очень!
Решается кулером и радиатором! а как сделать так что бы он отключил питание,
как делает микроконтроллер?
Очень хорошая статья! я её себе в закладки даже сохранил:
Устройство и принцип работы защитного контроллера Li-ion/polymer аккумулятора
go-radio.ru/sxema-kontrollera-litiy-ionnogo-akkumulatora.html
Петрович может как то объединить защитный контроллер, и вашу схему?
я уже совсем запутался мозг кипит!
Ещё раз СПАСИБО!
а подумайте ещё... может всё таки объединить, а если ...
фиг его знает...............................................................................
:(

Пожалуйста Войти или Регистрация, чтобы присоединиться к беседе.

Больше
07 апр 2016 19:54 - 07 апр 2016 19:58 #30 от Rrenovatio
Rrenovatio ответил в теме Контроллер питания.
попробовать задействовать контроллер от ноутбука?



только элементов у меня не по два, а по четыре!
по току не пройдёт!!!
и на схеме их три пары, а мне нужно четыре, пять!!!
:(
он очень хорошо их заряжает с балансировкой пар!!!
Вложения:
Последнее редактирование: 07 апр 2016 19:58 пользователем Rrenovatio.

Пожалуйста Войти или Регистрация, чтобы присоединиться к беседе.

Модераторы: Doc
Вся информация, предоставленная на данном ресурсе разрешена к ознакомлению детям школьного возраста. Все практическое использование может быть связана с повышенной электрической опасностью и разрешено детям только под присмотром взрослых.