- Сообщений: 616
- Спасибо получено: 11
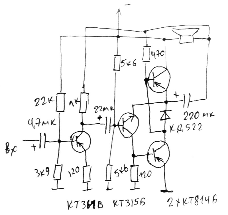
Усилитель класса C
- Aleksanders
-
Автор темы
- Не в сети
Less
Больше
09 авг 2017 10:00 - 10 авг 2017 12:03 #1
от Aleksanders
Aleksanders создал тему: Усилитель класса C
Схема:
Плата:
Монтаж:
Питание отрицательное относительно общего провода, но это не важно, можно поменять проводимость всех транзисторов на обратную, развернуть диод и электролиты и использовать с положительным питанием
Запостил здесь просто чтобы было. Вдруг, у кого-нибудь проснётся желание поисследовать эту необычную схему.
Плата:
Монтаж:
Питание отрицательное относительно общего провода, но это не важно, можно поменять проводимость всех транзисторов на обратную, развернуть диод и электролиты и использовать с положительным питанием
Запостил здесь просто чтобы было. Вдруг, у кого-нибудь проснётся желание поисследовать эту необычную схему.
Вложения:
Последнее редактирование: 10 авг 2017 12:03 пользователем Aleksanders. Причина: Добавлены картинки и описание.
Пожалуйста Войти или Регистрация, чтобы присоединиться к беседе.
- Aleksanders
-
Автор темы
- Не в сети
Less
Больше
- Сообщений: 616
- Спасибо получено: 11
09 авг 2017 10:01 - 10 авг 2017 11:59 #2
от Aleksanders
Aleksanders ответил в теме Усилитель класса C
Можно удалить это сообщение?
Последнее редактирование: 10 авг 2017 11:59 пользователем Aleksanders. Причина: вавыаваыва
Пожалуйста Войти или Регистрация, чтобы присоединиться к беседе.
- Rrenovatio
-
- Не в сети
Less
Больше
- Сообщений: 2505
- Спасибо получено: 78
14 авг 2017 07:10 #3
от Rrenovatio
Rrenovatio ответил в теме Усилитель класса C
чем необычное? схема как схема...
Пожалуйста Войти или Регистрация, чтобы присоединиться к беседе.
- зте
-
- Не в сети
Less
Больше
- Сообщений: 169
- Спасибо получено: 5
15 авг 2017 09:21 #4
от зте
зте ответил в теме Усилитель класса C
Кондёра по питанию нет, не станет схема работать. Или зазвенит на ~300 кГц.
Пожалуйста Войти или Регистрация, чтобы присоединиться к беседе.
- Aleksanders
-
Автор темы
- Не в сети
Less
Больше
- Сообщений: 616
- Спасибо получено: 11
15 авг 2017 12:35 #5
от Aleksanders
Aleksanders ответил в теме Усилитель класса C
Не знаю, звенела или нет, но работала очень хорошо и на динамичке (не помню, 4 или 8 Ом) в пол ватта орало что надо! Наверно, если бы звенела, то было бы насыщение и искажался бы звук - а ни фига!
Пожалуйста Войти или Регистрация, чтобы присоединиться к беседе.
Модераторы: Doc