- Сообщений: 1116
- Спасибо получено: 46
ГЛУШЫЛКА ДЛЯ ДИКТОФОНА
- Николай Петрович
-
- Не в сети
Less
Больше
23 нояб 2013 01:30 - 23 нояб 2013 01:31 #6
от Николай Петрович
Николай Петрович ответил в теме ГЛУШЫЛКА ДЛЯ ДИКТОФОНА
Излучать ультразвук можно ферритовой антенной радиоприёмника. Насколько эффективно не знаю, по рассказам помню, что капля воды, на её торце, как бы кипит. За одно - направленное действие на посетителя.
Последнее редактирование: 23 нояб 2013 01:31 пользователем Николай Петрович.
Пожалуйста Войти или Регистрация, чтобы присоединиться к беседе.
- ИЛЬЯ
-
- Не в сети
Less
Больше
- Сообщений: 516
- Спасибо получено: 11
23 нояб 2013 14:52 #7
от ИЛЬЯ
ИЛЬЯ ответил в теме ГЛУШЫЛКА ДЛЯ ДИКТОФОНА
стесняюсь спросить -причем тут ультразвук?
Пожалуйста Войти или Регистрация, чтобы присоединиться к беседе.
- Rrenovatio
-
- Не в сети
Less
Больше
- Сообщений: 2505
- Спасибо получено: 78
23 нояб 2013 18:06 - 23 нояб 2013 18:08 #8
от Rrenovatio
Rrenovatio ответил в теме ГЛУШЫЛКА ДЛЯ ДИКТОФОНА
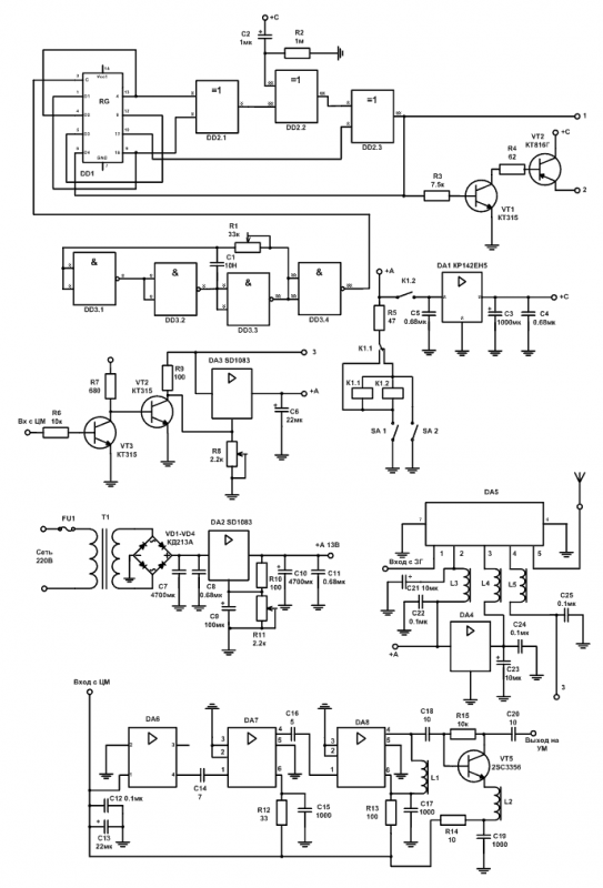
Схема электрическая принципиальная подавителя диктофона.
вощим тут: www.podavitel.ru/shema-glushitelya-diktofona.html
вощим тут: www.podavitel.ru/shema-glushitelya-diktofona.html
Вложения:
Последнее редактирование: 23 нояб 2013 18:08 пользователем Rrenovatio.
Пожалуйста Войти или Регистрация, чтобы присоединиться к беседе.
- Николай Петрович
-
- Не в сети
Less
Больше
- Сообщений: 1116
- Спасибо получено: 46
23 нояб 2013 20:04 #9
от Николай Петрович
Николай Петрович ответил в теме ГЛУШЫЛКА ДЛЯ ДИКТОФОНА
ИЛЬЯ, можно воздействовать на микрофон диктофона, как предлагает Ж - это ультразвук. А можно на эл. схему диктофона - это передатчик, как предлагает Rrenovatio. Или я не понял вопроса?
Пожалуйста Войти или Регистрация, чтобы присоединиться к беседе.
- ИЛЬЯ
-
- Не в сети
Less
Больше
- Сообщений: 516
- Спасибо получено: 11
24 нояб 2013 08:38 #10
от ИЛЬЯ
ИЛЬЯ ответил в теме ГЛУШЫЛКА ДЛЯ ДИКТОФОНА
то есть, вы предлагаете "забить" посторонним сигналом? Вряд ли это пройдет при грамотной схемотехнике диктофона.
Предложеные способы работают?
Предложеные способы работают?
Пожалуйста Войти или Регистрация, чтобы присоединиться к беседе.
Модераторы: Doc