Хочу собрать РУ
- Doc
-
- Не в сети
Less
Больше
23 нояб 2013 22:50 #6
от Doc
Малое знание опасно, впрочем, как и большое....
Doc ответил в теме Хочу собрать РУ
ну это городьба , зачем огород городить
давай начнем с простого - вот пара модулей ресивер\трансмиттер за 5 баков
www.ebay.com/itm/360738360630?ssPageName...id=p3984.m1497.l2649
правда они не квантованные
давай начнем с простого - вот пара модулей ресивер\трансмиттер за 5 баков
www.ebay.com/itm/360738360630?ssPageName...id=p3984.m1497.l2649
правда они не квантованные
Малое знание опасно, впрочем, как и большое....
Пожалуйста Войти или Регистрация, чтобы присоединиться к беседе.
- Rrenovatio
-
- Не в сети
Less
Больше
- Сообщений: 2505
- Спасибо получено: 78
24 нояб 2013 01:29 #7
от Rrenovatio
Rrenovatio ответил в теме Хочу собрать РУ
по моему супер... :silly:
а сколько команд поддерживают?
а сколько команд поддерживают?
Пожалуйста Войти или Регистрация, чтобы присоединиться к беседе.
- Doc
-
- Не в сети
24 нояб 2013 09:53 #8
от Doc
Малое знание опасно, впрочем, как и большое....
Doc ответил в теме Хочу собрать РУ
в нем нет командор аппарата
это только радио модули , то есть приемник и передатчик под цифровой выход
это только радио модули , то есть приемник и передатчик под цифровой выход
Малое знание опасно, впрочем, как и большое....
Пожалуйста Войти или Регистрация, чтобы присоединиться к беседе.
- Rrenovatio
-
- Не в сети
Less
Больше
- Сообщений: 2505
- Спасибо получено: 78
24 нояб 2013 11:21 #9
от Rrenovatio
Rrenovatio ответил в теме Хочу собрать РУ
Вложения:
Пожалуйста Войти или Регистрация, чтобы присоединиться к беседе.
- Светлана
-
- Не в сети
24 нояб 2013 20:28 #10
от Светлана
Если хотите, чтобы жизнь улыбалась вам, подарите ей своё хорошее настроение
Светлана ответил в теме Хочу собрать РУ
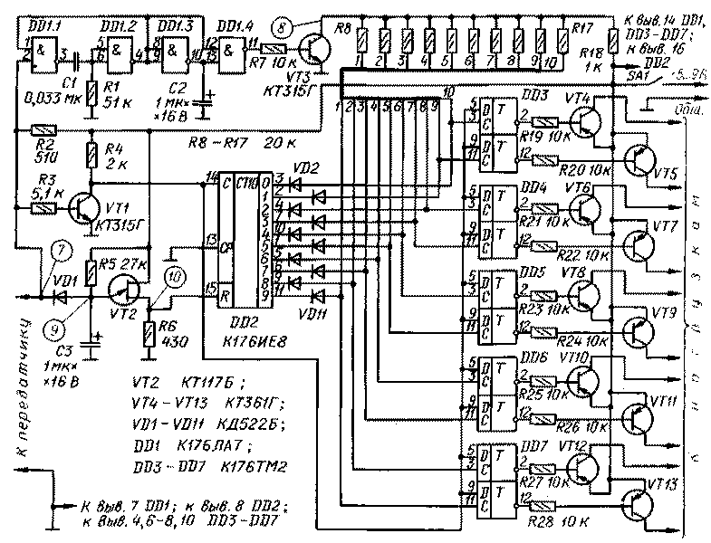
По современным меркам - сильно нагорожено, сложно и в сборке, и в настройке. Сейчас полно микросхем DTMF, которые можно с поломанных телефонов поснимать. Лучше на них сделать, до 16 команд можно получить и ничего программировать не нужно...Rrenovatio пишет: вобщим как то так:
Если хотите, чтобы жизнь улыбалась вам, подарите ей своё хорошее настроение
Спасибо сказали: Rrenovatio
Пожалуйста Войти или Регистрация, чтобы присоединиться к беседе.
Модераторы: Doc