- Спасибо получено: 0
пожалуйста подскажите что за графическое обозначение
- MXP
-
Автор темы
Less
Больше
05 фев 2007 07:45 #1
от MXP
MXP создал тему: пожалуйста подскажите что за графическое обозначение
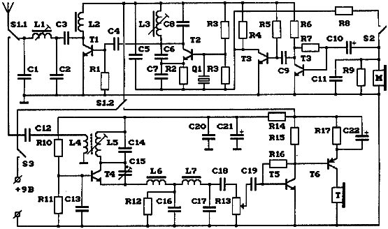
пожалуйста подскажите что за графическое обозначение q1 вот на этой схеме? а то всё припоял, а вот что такое q1 не знаю.
Вложения:
Тема заблокирована.
- tomas111
-
Less
Больше
- Спасибо получено: 0
05 фев 2007 08:34 #2
от tomas111
tomas111 ответил в теме пожалуйста подскажите что за графическое обозначение
Похоже на кварцевый резонатор ..... Я точно неуверен !!!
Тема заблокирована.
- Stein
-
Less
Больше
- Спасибо получено: 0
05 фев 2007 20:58 #3
от Stein
Stein ответил в теме пожалуйста подскажите что за графическое обозначение
Скорее всего кварцевый резонатор. На фильтр не похоже.
Хотя зачем кварц если есть контур.
:
Ну я думаю попробуй поставить кварц на 27МГц
Хотя зачем кварц если есть контур.
:Ну я думаю попробуй поставить кварц на 27МГц
Тема заблокирована.
- Doc
-
- Не в сети
06 фев 2007 10:01 #4
от Doc
Малое знание опасно, впрочем, как и большое....
Doc ответил в теме пожалуйста подскажите что за графическое обозначение
кварц однозначно, и контур тут не причем...
Малое знание опасно, впрочем, как и большое....
Тема заблокирована.
- Stein
-
Less
Больше
- Спасибо получено: 0
06 фев 2007 14:41 #5
от Stein
Stein ответил в теме пожалуйста подскажите что за графическое обозначение
Ну кварц, так кварц.
Тема заблокирована.
Модераторы: Doc