"Чистая синусоида"

Больше
26 март 2012 06:25 #396 от ИЛЬЯ
ИЛЬЯ ответил в теме Re: "Чистая синусоида"
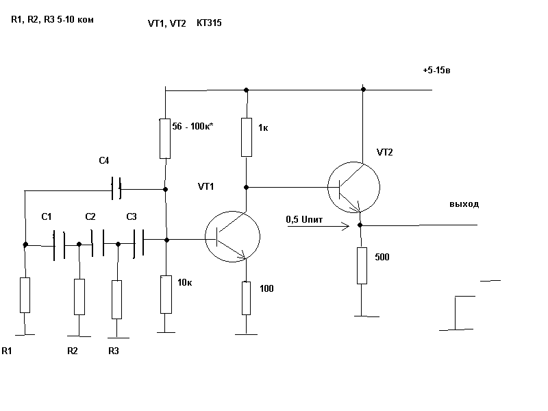
вот эта стабильней работает и синус лучше
Вложения:

Пожалуйста Войти или Регистрация, чтобы присоединиться к беседе.

Больше
26 март 2012 07:20 #397 от Rrenovatio
Rrenovatio ответил в теме "Чистая синусоида"
ИЛЬЯ спасибо за труд!
+ плюсик в лычку :P
:woohoo:

Пожалуйста Войти или Регистрация, чтобы присоединиться к беседе.

Больше
02 июнь 2012 12:21 #398 от Alexander Kobets
Alexander Kobets ответил в теме "Чистая синусоида"
Задачу можно упростить. Дело в том, что трёхфазные двигатели могут нормально работать от меандра. Но естественно - от трёхфазного меандра. Тоесть, просто нужно переделать генератор в трёхфазный.

Ну и насчёт двигателя - нужно его подключить в трёхфазном режиме. У любого двигателя, даже двухфазного, можно найти выводы обмотки для трёхфазного подключения.

Пожалуйста Войти или Регистрация, чтобы присоединиться к беседе.

Модераторы: Doc
Вся информация, предоставленная на данном ресурсе разрешена к ознакомлению детям школьного возраста. Все практическое использование может быть связана с повышенной электрической опасностью и разрешено детям только под присмотром взрослых.