Преоброзователь Видео сигнала

Больше
17 мая 2013 12:30 #11 от Doc

Rrenovatio пишет: селектор синхроимпуль­сов соединяет сигналы и потому они у тебя и идут одним проводом, но пойми чудес не бывает это два разных сигнала и они идут от разных источников ( строчный и кадровый генератор... или что там у тебя стоит без разницы)
поэтому нужно отследить по схеме где у тебя стоит этот фазовый детектор
и взять сигналы до него!
или спаять что то типа этого "селектора синхроимпуль­сов" он разделит сигналы в два провода и ты его подключишь:


отнюдь - у меня синхронность формируется непосредственно процессором (ATMEGA 128)


Малое знание опасно, впрочем, как и большое....
Вложения:

Пожалуйста Войти или Регистрация, чтобы присоединиться к беседе.

Больше
17 мая 2013 12:41 #12 от Doc

Rrenovatio пишет:



это конвертор ypb а не RGB

Малое знание опасно, впрочем, как и большое....

Пожалуйста Войти или Регистрация, чтобы присоединиться к беседе.

Больше
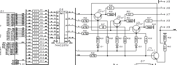
17 мая 2013 17:17 #13 от Rrenovatio
Rrenovatio ответил в теме Преоброзователь Видео сигнала
а такой:



описания правда нет и качество г... но всё же...
:whistle:
Вложения:

Пожалуйста Войти или Регистрация, чтобы присоединиться к беседе.

Больше
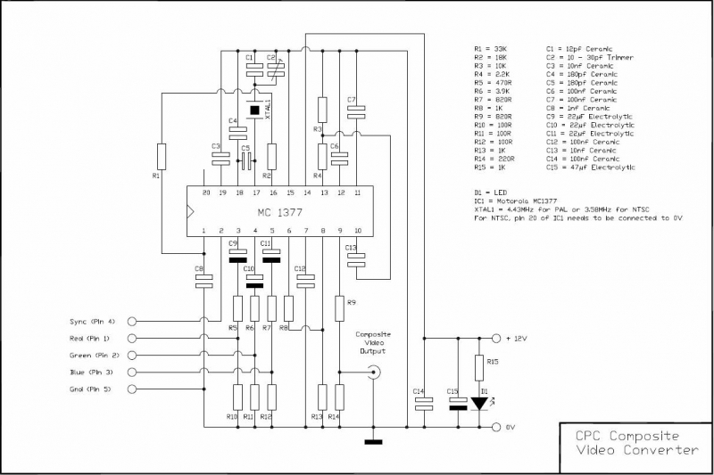
18 мая 2013 18:02 #14 от Doc
вот это уже похоже на правду

Малое знание опасно, впрочем, как и большое....

Пожалуйста Войти или Регистрация, чтобы присоединиться к беседе.

Больше
19 мая 2013 01:04 - 19 мая 2013 01:06 #15 от Rrenovatio
Rrenovatio ответил в теме Преоброзователь Видео сигнала
МС1377Р - всё дело в ней!



нашёл получше, помоему тоже самое...



а вобще тут помоему то что тебе нужно!
vrtp.ru/index.php?showtopic=19839

в последнем посте чел пишет: Всё получилось, кодер работает нормально!
желаю всех благ в повторении...
:)
Последнее редактирование: 19 мая 2013 01:06 пользователем Rrenovatio.

Пожалуйста Войти или Регистрация, чтобы присоединиться к беседе.

Модераторы: Doc
Вся информация, предоставленная на данном ресурсе разрешена к ознакомлению детям школьного возраста. Все практическое использование может быть связана с повышенной электрической опасностью и разрешено детям только под присмотром взрослых.