Преоброзователь Видео сигнала
- Doc
-
Автор темы
- Не в сети
Less
Больше
16 мая 2013 14:33 #6
от Doc
Малое знание опасно, впрочем, как и большое....
Doc ответил в теме Преоброзователь Видео сигнала
в этих схемах опять таки синхронизации строчная и кадровая идут по отдельным проводам (разделены) а у меня они идут в смеси (один провод)
Малое знание опасно, впрочем, как и большое....
Пожалуйста Войти или Регистрация, чтобы присоединиться к беседе.
- Rrenovatio
-
- Не в сети
Less
Больше
- Сообщений: 2505
- Спасибо получено: 78
16 мая 2013 15:54 - 16 мая 2013 16:07 #7
от Rrenovatio
Rrenovatio ответил в теме Преоброзователь Видео сигнала
дружище, у тебя в схеме должно стоять что то типа этого:
селектор синхроимпульсов соединяет сигналы и потому они у тебя и идут одним проводом, но пойми чудес не бывает это два разных сигнала и они идут от разных источников ( строчный и кадровый генератор... или что там у тебя стоит без разницы)
поэтому нужно отследить по схеме где у тебя стоит этот фазовый детектор
и взять сигналы до него!
или спаять что то типа этого "селектора синхроимпульсов" он разделит сигналы в два провода и ты его подключишь:
к схеме
потому как с одним проводом схем ещё как бы не встречал...
:silly:
селектор синхроимпульсов соединяет сигналы и потому они у тебя и идут одним проводом, но пойми чудес не бывает это два разных сигнала и они идут от разных источников ( строчный и кадровый генератор... или что там у тебя стоит без разницы)
поэтому нужно отследить по схеме где у тебя стоит этот фазовый детектор
и взять сигналы до него!
или спаять что то типа этого "селектора синхроимпульсов" он разделит сигналы в два провода и ты его подключишь:
к схеме
потому как с одним проводом схем ещё как бы не встречал...
:silly:
Вложения:
Последнее редактирование: 16 мая 2013 16:07 пользователем Rrenovatio.
Пожалуйста Войти или Регистрация, чтобы присоединиться к беседе.
- Вячеслав
-
- Не в сети
Less
Больше
- Сообщений: 1245
- Спасибо получено: 31
16 мая 2013 16:47 #8
от Вячеслав
Вячеслав ответил в теме Преоброзователь Видео сигнала
В каждом сигнале, что R, что G, что B идёт порог строки и кадра. Т.е. кажная строка одним сигналом, между ними строчный синхроимпульс. После 365 строк идёт кадровый импульс, он по длине гораздо больше. Синхронизация идёт именно по ним. Как они разделяются из видеосигнала (что в сущности сигнал контрастности) я представление имею. Но чтоб назад суммировать три сигнала в один - я не встречал и не задумывался над этим.
Пожалуйста Войти или Регистрация, чтобы присоединиться к беседе.
- Rrenovatio
-
- Не в сети
Less
Больше
- Сообщений: 2505
- Спасибо получено: 78
16 мая 2013 22:04 #9
от Rrenovatio
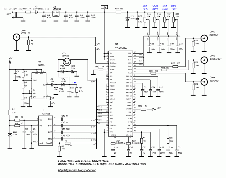
Rrenovatio ответил в теме Преоброзователь Видео сигнала
Пожалуйста Войти или Регистрация, чтобы присоединиться к беседе.
- Rrenovatio
-
- Не в сети
Less
Больше
- Сообщений: 2505
- Спасибо получено: 78
16 мая 2013 22:07 - 16 мая 2013 22:11 #10
от Rrenovatio
Rrenovatio ответил в теме Преоброзователь Видео сигнала
и обратно с одного в три! ну это так для инфы...
we.easyelectronics.ru/autoelectro/podkly...-cvbs-v-rgbsync.html
we.easyelectronics.ru/autoelectro/podkly...-cvbs-v-rgbsync.html
Вложения:
Последнее редактирование: 16 мая 2013 22:11 пользователем Rrenovatio.
Пожалуйста Войти или Регистрация, чтобы присоединиться к беседе.
Модераторы: Doc