- Сообщений: 2505
- Спасибо получено: 78
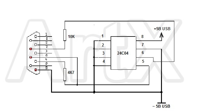
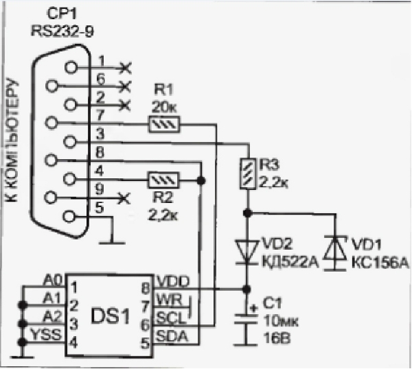
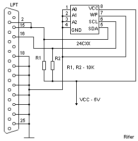
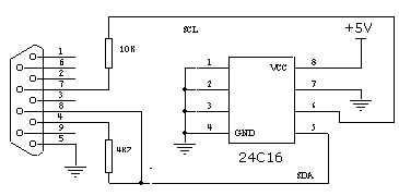
24c08
- Rrenovatio
-
Автор темы
- Не в сети
Less
Больше
17 апр 2017 09:24 #6
от Rrenovatio
Rrenovatio ответил в теме 24c08
Пожалуйста Войти или Регистрация, чтобы присоединиться к беседе.
- Гер Штырлиц
-
- Не в сети
17 апр 2017 20:31 - 17 апр 2017 20:34 #7
от Гер Штырлиц
тероризм есть всего лишь способ привлеч к себе внимание
Гер Штырлиц ответил в теме 24c08
Господа, извините , может не в тему , но не проще ли один раз купить универсальный программатор, чем на каждую микруху тр..ся и паять переходники и разъемы
у меня например вот китайский TL866A
шём все что мне необходимо , пока наткнулся только одно что ему оказалось не по зубам - это старые отечественные РФки
понимаю что он довольно дорогой, но зато избавляет от ненужного гемора
у меня например вот китайский TL866A
шём все что мне необходимо , пока наткнулся только одно что ему оказалось не по зубам - это старые отечественные РФки
понимаю что он довольно дорогой, но зато избавляет от ненужного гемора
тероризм есть всего лишь способ привлеч к себе внимание
Последнее редактирование: 17 апр 2017 20:34 пользователем Гер Штырлиц.
Пожалуйста Войти или Регистрация, чтобы присоединиться к беседе.
- Rrenovatio
-
Автор темы
- Не в сети
Less
Больше
- Сообщений: 2505
- Спасибо получено: 78
18 апр 2017 13:02 #8
от Rrenovatio
Rrenovatio ответил в теме 24c08
Штырлиц смотри этот чип стоит на моём принтере и постоянно хочет кушать новые картриджи!
что бы это вылечить нужно выбросить все цветные чипы и перепрошить уже имеющимся дампом, чип чёрного картриджа!
и всё! победа над долбаным самсунгом!
кушать больше просить не будет...
а так он мне и даром то ненужен программатор, если бы этим заниматься то да.
а так...
у меня и так всякого ненужного говнеца уже столько валяется, уже даже не помню что есть или чего нету. Зачем ещё? а так для разовой работы...
что бы это вылечить нужно выбросить все цветные чипы и перепрошить уже имеющимся дампом, чип чёрного картриджа!
и всё! победа над долбаным самсунгом!
кушать больше просить не будет...
а так он мне и даром то ненужен программатор, если бы этим заниматься то да.
а так...
у меня и так всякого ненужного говнеца уже столько валяется, уже даже не помню что есть или чего нету. Зачем ещё? а так для разовой работы...
Пожалуйста Войти или Регистрация, чтобы присоединиться к беседе.
- Rrenovatio
-
Автор темы
- Не в сети
Less
Больше
- Сообщений: 2505
- Спасибо получено: 78
18 апр 2017 13:06 #9
от Rrenovatio
Rrenovatio ответил в теме 24c08
да и ещё какой бы там программатор не был а для SMD всё равно паяльник в руки нужно брать!
Пожалуйста Войти или Регистрация, чтобы присоединиться к беседе.
- Doc
-
- Не в сети
18 апр 2017 16:55 #10
от Doc
Малое знание опасно, впрочем, как и большое....
Doc ответил в теме 24c08
на счет smd это ты зря
я к примеру к беру переходник на дип их позиционирую микруху и обычной бельевой прищепкой прижимаю микруху (тут весь фокус в том чтобы четкой на контакты попасть)
я к примеру к беру переходник на дип их позиционирую микруху и обычной бельевой прищепкой прижимаю микруху (тут весь фокус в том чтобы четкой на контакты попасть)
Малое знание опасно, впрочем, как и большое....
Пожалуйста Войти или Регистрация, чтобы присоединиться к беседе.
Модераторы: Doc