Как сделать плавномигающую светодиодную гирлянду??? Помогите

Больше
07 июнь 2009 08:01 #1 от Александр
Здравствуйте)))
Помогите мне пожалуйста. Есть схема светодиодной цепочки (прикреплена к сообщению)
В цепочке две части. Горит или одна или другая. Но у них как бы один режим - горят постоянно. Как сделать так чтобы появился второй режим - при переключении на который цепочка начнт плавно угасать почти до нуля а потом плавно возвращаться к свечению в полную яркость и этот цикл повторяется непрерывно (до тех пор, естественно, пока я сам не переключу цепочку в постоянный режим)?

Я начинающий в этом деле. Цепочку по своей схеме я собрал - работает))) но вот с таким эффектом я не справлюсь((( Если кому не лень сделайте схему и объясните как и что работает, хочу понять и разобраться. Пожалуйста...

P.S. Извините если проглядел такую тему на форуме
Вложения:

Пожалуйста Войти или Регистрация, чтобы присоединиться к беседе.

Больше
07 июнь 2009 15:33 #2 от Doc
Вот для начала схема плавного возростания изатухания твоих светодиодов.... но без переодического , раз не умеешь - лучше делай постипенно чтобы понимать что делаешь и что за что отвечает

Малое знание опасно, впрочем, как и большое....
Вложения:

Пожалуйста Войти или Регистрация, чтобы присоединиться к беседе.

Больше
07 июнь 2009 16:41 #3 от Александр
Офигеть!!! Спасибо за такой подход))) Это именно то что нужно)))
Когда соберу - отпишусь тут))) надеюсь так вскоре смогу собрать "с головой" то что хочу))) Спасибо!

Пожалуйста Войти или Регистрация, чтобы присоединиться к беседе.

Больше
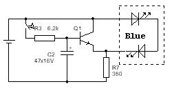
10 июнь 2009 20:01 #4 от Александр
Уважаемый Doc

Собрал цепочку по предложенной Вами схеме - работает как Вы описали в ЛС. Только когда отпускаю кнопку, светодиоды набирают яркость до какого то момента медленно а потом быстрее, но все плавно. это связанно с разрядкой кондера и с закрытием транзистора? или я ошибаюсь?
А вот Гаснут они гораздо более резко. можно ли как то сделать чтобы они так же плавно гасли как и загорались?

Еще вопрос по рассчетам: как рассчитать резистор для светодиодов я знаю. но у меня получается что при моем ИП в 8,4V и 20мА резистор для 2-х светодиодов расчитанных на 3V будет равен 120ом. А на схеме он 360ом. Почему? или Вы рассчитывали под ИП в 16V?
И как рассчитывается резистор R3 (6,2 к)?

Да, и как теперь добавить цикличность к этой цепочке: чтобы при замкнутой цепи светодиоды циклично плавно гасли а потом сами плавно загорались?
Вложения:

Пожалуйста Войти или Регистрация, чтобы присоединиться к беседе.

Больше
11 июнь 2009 06:17 #5 от Doc
1) да с разрядкой конленсатора (ускорить или замедлить это можно увеличев или уменьшив еёмкость конденсатора , или для того чтобы ускорить включить паралельно конденсатору резистор )
2) раз гаснут резко то это из-за того, что конденсатор очень быстро заряжаеться увеличти резистор R2 (а ещёлучше вставти подстроечный на 47ком и постепенно регулируйте когда получите нужнюю плавность отпояйте и померте тестором чо получилось , но заглядывая в будущие там резистор стоит такой, что раситан на управление не конпокой, а генератором :)
3) нет не расчитывал меняйте на скольок нужно только проверте не начнет ли греться транзистор (возможно ток потечет через него большой и придеться ставить радиатор или менять транзистор на кт805 (но это уже эксперементальным путем)

думаю что формулы расчета конечно существуют , но чесно говоря я самоучка и очень недко пользовался подобным (только при расчете частот генераторов, на логике, потому что там формулы дают определенную точноть), в тких дискретных схемах это уж очень от многого зависит , и всеравно придеться подгонять опытным путем

Малое знание опасно, впрочем, как и большое....

Пожалуйста Войти или Регистрация, чтобы присоединиться к беседе.

Модераторы: Doc
Вся информация, предоставленная на данном ресурсе разрешена к ознакомлению детям школьного возраста. Все практическое использование может быть связана с повышенной электрической опасностью и разрешено детям только под присмотром взрослых.