- Сообщений: 1245
- Спасибо получено: 31
Как сделать плавномигающую светодиодную гирлянду??? Помогите
- Вячеслав
-
- Не в сети
Less
Больше
17 июль 2009 16:18 #26
от Вячеслав
Вячеслав ответил в теме Как сделать плавномигающую светодиодную гирлянду??? Помогите
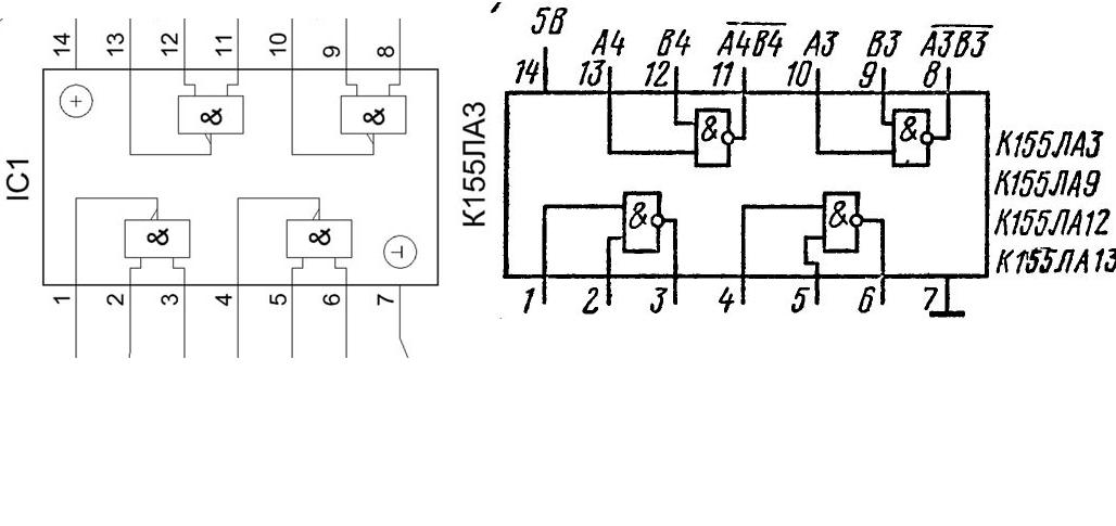
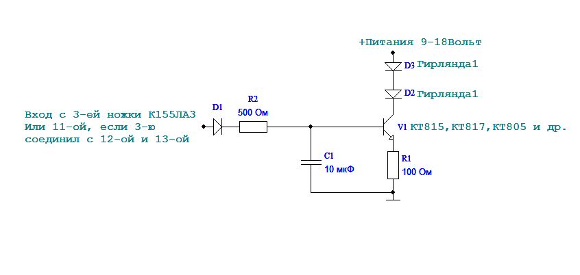
Предлагаю другую схему усилителя для гирлянды. Сопротивление R1 подбираешь следующим способом:
1.К источнику питания (который будешь использовать в дальнейшем) подключаешь свою гирлянду через переменное сопротивление (если она рассчитана на 9Вольт и их ты будешь использовать, то R1 будет около 10Ом а то и меньше) и постепенно его уменьшаешь до получения моксимальной яркости. Учти что вообще без сопротивления R1 гирлянда может не тухнуть, по-этому напряжение питания должно быть больше напряжения работы гирлянды, а при 9В и R1 яркость максимальную ты не получишь (но это может быть не заметно).
2.Подключаешь по схеме кот. я прикрепил и R2, C1 подбираешь до получения плавного изменения загорания и затухания.
Затухание будет зависеть только от ёмкости С1 а загорание от С1R2. Чем больше R2 - тем дольше загорается.
Остальные две схемы К155 подсоединяешь как я рассказал и прикрепил.
5 Вольт питания микросхемы берёшь с источника питания через советскую КР142ЕН5B или импорт 7805,78L05,78M05(различие по току стабилизации 0,1А. 0,25А. 0,5А). Эта микруха имеет три ножки: Вход+; Средняя корпус; Выход+5Вольт
Дерзай. как будут вопросы, прошу.
1.К источнику питания (который будешь использовать в дальнейшем) подключаешь свою гирлянду через переменное сопротивление (если она рассчитана на 9Вольт и их ты будешь использовать, то R1 будет около 10Ом а то и меньше) и постепенно его уменьшаешь до получения моксимальной яркости. Учти что вообще без сопротивления R1 гирлянда может не тухнуть, по-этому напряжение питания должно быть больше напряжения работы гирлянды, а при 9В и R1 яркость максимальную ты не получишь (но это может быть не заметно).
2.Подключаешь по схеме кот. я прикрепил и R2, C1 подбираешь до получения плавного изменения загорания и затухания.
Затухание будет зависеть только от ёмкости С1 а загорание от С1R2. Чем больше R2 - тем дольше загорается.
Остальные две схемы К155 подсоединяешь как я рассказал и прикрепил.
5 Вольт питания микросхемы берёшь с источника питания через советскую КР142ЕН5B или импорт 7805,78L05,78M05(различие по току стабилизации 0,1А. 0,25А. 0,5А). Эта микруха имеет три ножки: Вход+; Средняя корпус; Выход+5Вольт
Дерзай. как будут вопросы, прошу.
Вложения:
Пожалуйста Войти или Регистрация, чтобы присоединиться к беседе.
- Александр
-
Автор темы
- Не в сети
Less
Больше
- Сообщений: 41
- Спасибо получено: 0
21 июль 2009 00:49 #27
от Александр
Александр ответил в теме Как сделать плавномигающую светодиодную гирлянду??? Помогите
Спасибо)
Вопрос уже есть... я плохо понимаю откуда берется напряжение в 9v если мы его гасим стабилизатором до 5v?
Следуя инструкциям нарисовал часть схемы с мультивибратором. Так ли она должна выглядеть как и прикрепленная? если да то какой выход к чему подсоединять? а если она не правильная то что не так? Вот такие вопросы)
Вопрос уже есть... я плохо понимаю откуда берется напряжение в 9v если мы его гасим стабилизатором до 5v?
Следуя инструкциям нарисовал часть схемы с мультивибратором. Так ли она должна выглядеть как и прикрепленная? если да то какой выход к чему подсоединять? а если она не правильная то что не так? Вот такие вопросы)
Вложения:
Пожалуйста Войти или Регистрация, чтобы присоединиться к беседе.
- Doc
-
- Не в сети
21 июль 2009 04:08 #28
от Doc
Малое знание опасно, впрочем, как и большое....
Doc ответил в теме Как сделать плавномигающую светодиодную гирлянду??? Помогите
сразу бросилась в глаза ошибка , стпбилизатор стоит на 7 выводе - 7 это общий - тоесть "-" а стабилизвтор выдает "+"
у Вас внктренние расположение элэментов неверное совсем - чтоне похоже Вы зеркально перевернули микросхему
у Вас внктренние расположение элэментов неверное совсем - чтоне похоже Вы зеркально перевернули микросхему
Малое знание опасно, впрочем, как и большое....
Пожалуйста Войти или Регистрация, чтобы присоединиться к беседе.
- Александр
-
Автор темы
- Не в сети
Less
Больше
- Сообщений: 41
- Спасибо получено: 0
21 июль 2009 08:53 #29
от Александр
Александр ответил в теме Как сделать плавномигающую светодиодную гирлянду??? Помогите
то есть стабилизатор надо поставить на 14 вывод, а седьмой поключить к "-" ? а как понять про внутреннее расположение элементов? внутри самой схемы? я просто брал элементы как они в программе заложены и так их в схему и ставил. А кроме стабилизатора все правильно или нет?
Пожалуйста Войти или Регистрация, чтобы присоединиться к беседе.
- Doc
-
- Не в сети
21 июль 2009 13:29 #30
от Doc
Малое знание опасно, впрочем, как и большое....
Doc ответил в теме Как сделать плавномигающую светодиодную гирлянду??? Помогите
по поводу стабилизатора да
по поводу элэментов в микрухе либо косяк в проге либо взяли не ту прогу. Скажу так по выводам микрухи все правельно - тоесть если взять микруху и спаять то все будет пахать, а вот как у тебя на схеме внутри микросхеме расположенны элэменты это не верно.
по поводу элэментов в микрухе либо косяк в проге либо взяли не ту прогу. Скажу так по выводам микрухи все правельно - тоесть если взять микруху и спаять то все будет пахать, а вот как у тебя на схеме внутри микросхеме расположенны элэменты это не верно.
Малое знание опасно, впрочем, как и большое....
Вложения:
Пожалуйста Войти или Регистрация, чтобы присоединиться к беседе.
Модераторы: Doc